QR kodas
Produktai
Susisiekite su mumis

Telefonas

Faksas
+86-574-87168065

paštas

Adresas
Luotuo pramoninis rajonas, Zhenhai rajonas, Ningbo miestas, Kinija
Jėgos „estafetės lenktynės“: „Fed Mixer Gearbox“ yra tarsi „estafetės kapitonas“ galiai perduoti. Užvedus variklį, galia pirmiausia perduodama į pavarų dėžės įvesties veleną, o tada „greičio keitimas“ pasiekiamas sujungiant skirtingų dydžių pavarų grupę dėžėje. Pavyzdžiui, jei įvesties velenas sukasi 1000 kartų per minutę, išėjimo velenas gali suktis tik 100 kartų po pavarų grupės perdavimo, tačiau sukimo momentas labai padidėja. Tada ši stipri galia perduodama maišymo velenui, todėl maišymo mentės gali greitai išmaišyti pašarą ir lengvai susidoroti su „kietais produktais“, pvz., daug skaidulų turinčiu pašaru.
Tikslus sujungimas, mažesni nuostoliai: pavarų dėžės pavaros nesutampa atsitiktinai. Raydafon gaminami krumpliaračiai turi tiksliai apskaičiuotą ir apdorotą danties formą, o susiliejus tvirtai priglunda kaip dvi dėlionės, kurios puikiai dera tarpusavyje. Tokiu būdu perduodant jėgą labai maža trintis, mažesni energijos nuostoliai, o didžioji dalis galios gali būti panaudota maišymui. Tai tarsi pašarų maišytuvo įdiegimas „energiją taupančią šerdį“, dėl kurios darbas tampa energingesnis, neeikvojant energijos.
Lankstus reguliavimas pagal poreikius: skirtingiems pašarams ir skirtingiems maišymo kiekiams reikalingas skirtingas greitis. Feed Mixer pavarų dėžės grožis yra tas, kad ją galima lanksčiai reguliuoti. Pakeitus pavarų komplektų derinį, galima pasiekti skirtingus greičio santykius, kad būtų patenkinti įvairūs poreikiai. Jei norite greitai sumaišyti silosą ir koncentruoti, padidinkite greitį; jei norite tvarkyti trapias žaliavas, sumažinkite greitį ir maišykite lėtai, o pavarų dėžė gali viską padaryti.
Stabili atrama ir ilgaamžiškumas: pavarų dėžės korpusas prilygsta visos transmisijos sistemos „sergėtojui“. Didelio stiprumo ketaus medžiaga, stipri ir atspari smūgiams, gali stabiliai palaikyti vidines pavaras ir guolius. Vidiniai guoliai yra specialiai sutepti, kad sukimasis būtų sklandus ir sumažintas nusidėvėjimas. Net jei pašarų maišymo metu susidaro vibracija, pavarų dėžė gali užtikrinti stabilų pavarų įjungimą, nuolat tiekti stabilią galią ir pailginti bendrą tarnavimo laiką.
„Raydafon“ gaminių gamybos procesas buvo griežtai išbandytas ir gali būti visiškai veikiantis po faktinio įdiegimo. Pasirinkę mūsų gaminius, pasirinkote ramybę.
| Santykis | Įvestis aps./min |
Įvesties galia | Išvestis | Modelis | Komentarai | |
| Kw | HP | Nm | ||||
| 16.1:1 | 540 | 44.7 | 60 | 11600 | G1-0314 |
|
| 19.4:1 | 540 | 26.1 | 35 | 8600 | G1-0514 |
|
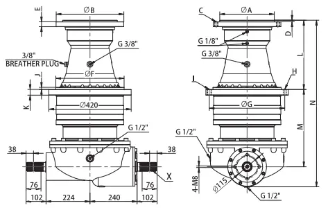
| Skaičius | A | B | C | D | E | F | G | H | 1 | J | K | L | M | N | ||||||||||||||||||
| 1 | ⌀200 val.7 | ⌀278 | 12-M16 AKS⌀245 | 15 | 25 | ⌀280 f7 | 380 | 12-M16 |
|
26 | 30 | 353 | 300 | 785 | ||||||||||||||||||
| 2 | ⌀200 val.7 | ⌀278 | 12-M16 AKS⌀245 | 15 | 25 | ⌀280 f7 | 380 | 12-M16 |
|
26 | 30 | 353 | 402.5 | 857.5 | ||||||||||||||||||
| 3 | ⌀278 val | ⌀345 | 15-M16 AKS⌀314 | 8 | 25 | ⌀348 h8 | ⌀385 | 12-⌀17 | 2-M18 | 10.5 | 29 | 351 | 321.5 | 774.5 | ||||||||||||||||||
| 4 | ⌀278 val | ⌀345 | 15-M16 AKS⌀314 | 8 | 25 | ⌀348 h8 | ⌀385 | 12-⌀17 | 2-M18 | 10.5 | 29 | 351 | 394 | 847 | ||||||||||||||||||
| 5 | ⌀154,8 h8 | 250 | 12-M20*1,5 AKS⌀205 | 12 | 39 | ⌀348 h8 | ⌀385 | 12-⌀17 | 2-M18 | 10.5 | 29 | 354.5 | 321.5 | 778 | ||||||||||||||||||
| Santykis | įvestis aps./min |
Įvesties galia | Išvestis Nm |
Įvesties velenas | Komentarai | |||||||||||||||||||||||||||
| kW | HP | |||||||||||||||||||||||||||||||
| 13.4:1 | 540 | 85.8 | 115 | 17984 | X |
|
||||||||||||||||||||||||||
| 14.6:1 | 540 | 70.8 | 95 | 16187 | X |
|
||||||||||||||||||||||||||
| 16.1:1 | 540 | 63.4 | 85 | 15971 | X |
|
||||||||||||||||||||||||||
| 18.2:1 | 540 | 44.7 | 60 | 12744 | X |
|
||||||||||||||||||||||||||
| 21.1:1 | 540 | 37.3 | 50 | 12312 | X |
|
||||||||||||||||||||||||||
| 25,9:1 | 1000 | 82 | 110 | 17954 | X |
|
||||||||||||||||||||||||||
| 28,3:1 | 1000 | 67.1 | 90 | 16051 | X |
|
||||||||||||||||||||||||||
Plieninis „kėbulas“ yra itin patvarus: ši pavarų dėžė pagaminta iš sutirštinto didelio stiprumo ketaus, o visa dėžė tvirta kaip bako korpusas. Nesvarbu, ar tai būtų drėgna aplinka maišant silosą, ar stipri vibracija, kurią sukelia granuliuotų pašarų tvarkymas, jis gali nuolat jį atlaikyti. Vidinės krumpliaračiai yra karbonizuoti ir užgesinti, o danties paviršiaus kietumas siekia HRC58. Atsparumas dilimui yra 3 kartus didesnis nei įprastų pavarų. Jis buvo nepertraukiamai naudojamas penkerius ar šešerius metus dulkėtose ir sunkiai apkrautose fermose, o veikimas vis dar „internete“, o remontų labai mažai.
Galios perdavimas „nulinis atliekų“: dizainas kupinas išradingumo! Pavarų sujungimo tikslumas pasiekia plauko lygį, o jėgos perdavimo efektyvumas viršija 95%. Kitose pavarų dėžėse gali „išslysti“ daug galios maišymo metu, tačiau mūsų „Fed Mixer“ pavarų dėžė, skirta TMR maišytuvui EP RMG, gali panaudoti visą mentės variklio galią. Sumaišius tą patį 5 tonų pašarų, naudojant mūsų pavarų dėžę galima 15 minučių greičiau ir sutaupyti 20 % sąskaitų už elektrą, taip sutaupant tikrų ūkininkų pinigų.
„Universalus pritaikomumas“ yra labai be rūpesčių: ar tai būtų paprastas maišytuvas mažame ūkyje, ar milžiniška įranga didelėje pašarų gamykloje, šią pavarų dėžę galima sklandžiai sujungti. Greičio santykį galima laisvai reguliuoti nuo 2:1 iki 15:1, o stambaus pašaro, koncentrato ir pašarų mišinio galima maišyti kaip tik norite. Montavimas taip pat nesudėtingas, nereikia daryti didelių įrangos pakeitimų. Paprasti darbininkai pagal instrukcijas gali tai padaryti per pusvalandį, o tai ypač tinka skubantiems ūkininkams. „Pažangi apsauga“ yra itin dėmesinga: pavarų dėžėje yra įmontuotas apsaugos nuo perkrovos įtaisas. Kai maišymo apkrova bus per didelė, ji automatiškai „sustabdys“, kad nebūtų pažeistos pavaros, o tai ne tik apsaugo mašiną, bet ir apsaugo nuo nelaimingų atsitikimų. Be to, konstrukcinis dizainas yra pagrįstas. Galite pakeisti guolį arba pataisyti pavarą atidarę dėžę. Tai nėra taip varginantis, kaip išardyti „rusišką lėlę“. Prastovos ir priežiūros laikas labai sutrumpėja, todėl ūkio gamyba nesustoja.
Kaip užsienio klientas, tikrai noriu padėkoti Raydafon! Jūsų pašarų maišytuvo pavarų dėžę naudoti tikrai paprasta. Nuo tada, kai buvo sumontuota, įranga veikė labai sklandžiai, o darbo efektyvumas yra daug didesnis nei anksčiau. Pavarų dėžė pagaminta iš tvirtų ir patvarių medžiagų, ją lengva montuoti ir prižiūrėti. Tai išsprendė senas problemas, kurias turėjome su ankstesne įranga. Ypač turiu pagirti garantinį aptarnavimą. Naudodami jį susidūrėme su mažais klausimais, ir jūs greitai tai supratote. Tai labai patikima. Ši bendradarbiavimo patirtis tikrai gera. Rekomendavau jūsų gaminius savo kolegoms ir tikiuosi tęsti bendradarbiavimą ateityje! ----- Jamesas Carteris
Sveiki, aš esu Davidas Johnsonas, „Raydafon“ klientas. Aš anksčiau pirkau jūsų pašarų maišytuvo pavarų dėžes ir tikrai puiku naudoti! Sumontavus šią pavarų dėžę, mūsų pašarų maišytuvas dirba daug sklandžiau nei anksčiau, o efektyvumas pagerėjo. Anksčiau nerimavau dėl įrangos strigimo, bet dabar dėl to jaudintis visai nebereikia. Labiausiai verta jaustis tai, kad jis yra labai patvarus, medžiaga yra tvirta ir nėra varginanti ją kasdien prižiūrėti. Tiesiog priveržkite kelis varžtus ir patikrinkite alyvos lygį, kitaip nei ankstesnėje įrangoje, kurią reikia mesti kas kelias dienas. Paskutinį kartą, kai turėjau nedidelių klausimų, kai dirbau čia, išsiunčiau el. laišką jūsų aptarnavimo po pardavimo ir gavau atsakymą tą pačią dieną. Inžinierius taip pat nubrėžė scheminę schemą, kad išmokytų mane ją sureguliuoti. Ši paslauga yra puiki! Jei atvirai, dažnai vakarieniaudama kartu su kolegomis kalbuosi apie jūsų gaminius. Gerus dalykus turėtų žinoti daugiau žmonių. Tikiuosi ir ateityje su jumis bendradarbiauti ir linkiu, kad jūsų verslas taptų vis populiaresnis!
Mano vardas Michaelas Brownas. Šiek tiek dvejojau, kai pirmą kartą pirkau jūsų Feed Mixer pavarų dėžes, juk ir anksčiau buvau apgautas kitų produktų, bet po beveik pusmečio naudojimo, tikrai žiūriu į viršų! Šios pavarų dėžės triukšmas yra daug mažesnis nei anksčiau. Anksčiau jį įjungus būdavo kaip griaustinis, o dabar man nebereikia šaukti kalbant dirbtuvėse. Labiausiai stebina efektyvumas. Anksčiau pašarų partiją sumaišyti užtrukdavo 40 minučių, o dabar tai galima padaryti per 25 minutes, be to, greitį padidino ir konvejerio juosta. Praėjusią savaitę pavarų dėžės kontrolinė lemputė sumirksėjo du kartus. Pasidomėjau, ar nėra problemų, todėl paskambinau į jūsų garantinį aptarnavimą. Telefonu atsiliepusi mergina buvo labai kantri. Ji leido man padaryti keletą nuotraukų ir patarė vietoje nuvalyti dulkes nuo jutiklio. Tai truko ne ilgiau kaip 10 minučių. Pavarų dėžė pagaminta iš tvirtų medžiagų. Išorinis apvalkalas jaučiasi sunkus. Praėjusį kartą krautuvas netyčia jį aptrynė, palikdamas šiek tiek žymės, tačiau viduje esančios dalys nenukentėjo. Aš nuolat kalbėjau apie tavo gaminius, kai gėriau su šalia esančiu ūkininku. Jis taip pat planuoja kitą mėnesį užsisakyti! Tikiuosi ateityje išbandyti naujus jūsų aksesuarus ir linkiu, kad taptumėte stipresni ir stipresni!
Adresas
Luotuo pramoninis rajonas, Zhenhai rajonas, Ningbo miestas, Kinija
Tel
paštas


+86-574-87168065


Luotuo pramoninis rajonas, Zhenhai rajonas, Ningbo miestas, Kinija
Autorių teisės © Raydafon Technology Group Co., Limited Visos teisės saugomos.
Links | Sitemap | RSS | XML | Privatumo politika |
