QR kodas
Produktai
Susisiekite su mumis

Telefonas

Faksas
+86-574-87168065

paštas

Adresas
Luotuo pramoninis rajonas, Zhenhai rajonas, Ningbo miestas, Kinija
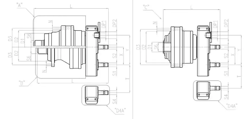
| Modelis | PG-702 | PG-1002 | PG-1602 | PG-1802 | PG-2502 | PG-3002 | PG-3503 | |||
| Santykis i | 18.2 | 18.3 | 13.4-33.6 | 15.7-29.9 | 14.6-20-36.2 | 45.3 | 53.7 | |||
| Išvesties tipas | B | B | B | C | B | C | A | C | C | C |
| D1 |
|
|
|
88HB |
|
88HB | 245F7 | 102H7 | 102H7 | 122HF |
| D2 | 200F7 | 230F7 | 230F7 | 278F7 | 230F | 278F7 | 340F7 | 340F7 | 340F7 | 340F7 |
| D3 | 250 | 295 | 295 | 314 | 295 | 314 | 370 | 370 | 370 | 370 |
| N | ∅15×N°12 | ∅17×N°10 | ∅17×N°10 | ∅15×N°18 | ∅17×N°10 | ∅15×N°18 | ∅17×N°15 | ∅17×N°15 | ∅17×N°15 | ∅17×N°15 |
| L | 646.5 | 627.5 | 693 | 490.5 | 714 | 499.5 | 798.5 | 595.5 | 601 | 680.5 |
| S6 | 70*64 DIN5482 | 80*74 DIN5482 | 100*94 DIN5482 | 80*74 DIN5482 | 100*94 DIN5482 | 80*74 DIN5482 | 100*94 DIN5482 | 100*94 DIN5482 | 100*94 DIN5482 | 120*22*5 DIN5482 |
| S1 | 1" 3/8 Z6 | 1" 3/8 Z6 | 1" 3/8 Z6 | 1" 3/8 Z6 | 1" 3/8 Z6 | 1" 3/8 Z6 | 1" 3/8 Z6 | 1" 3/8 Z6 | 1" 3/8 Z6 | 1" 3/8 Z6 |
| S2 | 1" 3/8 Z6 | 1" 3/8 Z6 | 1" 3/8 Z6 | 1" 3/8 Z6 | 1" 3/8 Z6 | 1" 3/8 Z6 | 1" 3/8 Z6 |
|
|
|
| DP1 | 40*36 DIN5482 | 40*36 DIN5482 | 40*36 DIN5482 | 40*36 DIN5482 | 40*36 DIN5482 | 40*36 DIN5482 | 40*36 DIN5482 | 40*36 DIN5482 | 40*36 DIN5482 | 40*36 DIN5482 |
| DP2 | 60,3 HB | 60,3 HB | 60,3 HB | 60,3 HB | 60,3 HB | 60,3 HB | 60,3 HB | 60,3 HB | 60,3 HB | 60,3 HB |
| X | 157 | 157 | 157 | 157 | 157 | 157 | 157 | 157 | 157 | 157 |
| Y | 262 | 262 | 262 | 262 | 262 | 262 | 262 | 262 | 262 | 262 |
| S4 |
|
|
|
1" 3/8 Z6 |
|
1" 3/8 Z6 |
|
1" 3/8 Z6 | 1" 3/8 Z6 | 1" 3/8 Z6 |
| T |
|
|
|
156.8 |
|
156.8 |
|
156.8 | 156.8 | 156.8 |
| Modelis | Santykis i | D1 | D2 | D3 | D4 | N | E |
| PG-1602 | 22.14-33.6 | 80*74 DIN5482 | 225 F7 | 278 F7 | 314 | ∅15×N°18 | SAE B/SAE C |
| PG-2502 | 20-36.2 | 100*94 DIN5482 | 245 F7 | 340F7 | 370 | ∅17×N°15 | SAE B/SAE C |
| Modelis | Santykis i | D1 | D2 | D3 | N | E |
| PG-161 | 3,55-2,49-5,60 | 40*36 DIN5482 | 110 F7 | 165 | ∅10,5 × N°8 | SAE A/SAE B/SAE BB/OMTS |
| PG-251 | 4.13-5.17-6.00 val | 58*53 DIN5482 | 150 F7 | 195 | ∅13×N°10 | SAE A/SAE B/SAE BB/OMTS |
| PG-501 | 4.13-5.17-6.00 val | 58*53 DIN5482 | 150 F7 | 195 | ∅13×N°10 | SAE A/SAE B/SAE BB/OMTS |
VystymasisPG serijos pašarų maišytuvo planetinė pavarų dėžėkyla iš gilaus įžvalgos apie tradicinės maišymo įrangos perdavimo sistemos skausmo taškus. Jo trijų planetinių pavarų paskirstytos transmisijos architektūra nėra paprastas mechaninių konstrukcijų sudėjimas, o pakartotinai imituojant įtempių sąlygas esant skirtingiems žaliavų santykiams, galiausiai nustatomas auksinis krumpliaračio modulio, danties pločio ir spiralės kampo derinys. Pavyzdžiui, apdorojant kukurūzų stiebus ir sojų miltų mišinius, jo unikali evoliucinio danties konstrukcija gali sumažinti medžiagos užstrigimo riziką 15%. Taikant didelio tikslumo šlifavimo procesą, danties paviršiaus šiurkštumas kontroliuojamas žemiau Ra0,8, o tai padidina transmisijos efektyvumą 8–10%, palyginti su tradicinėmis pavarų dėžėmis. Išmatuoti pašarų gamyklos duomenys rodo, kad 12 valandų nepertraukiamo darbo per dieną šios pavarų dėžės energijos sąnaudos yra 14% mažesnės nei panašių gaminių, o maišymo veleno sukimo momento svyravimų amplitudė sumažėja 22%, o tai ženkliai pagerina maišymo tolygumą.
Ši pavarų dėžė buvo skirta kietoms dalelėms, tokioms kaip smėlis, akmuo ir metalo nuolaužos, kurios dažnai maišomos į pašarų žaliavas, medžiagų ir procesų požiūriu. Pavaros korpusas pagamintas iš 20CrMnTi legiruotojo plieno. Po gesinimo apdorojimo 1,2 mm karbiuravimo gyliu ir žemos temperatūros grūdinimo procesu, danties šaknų lenkimo nuovargio stiprumas padidėja iki daugiau nei 850 MPa. Ekstremaliomis darbo sąlygomis, kai rančoje atliekama nebaigta žaliavos atranka, jo atsparumas duobėms atlaikė nepertraukiamą 500 valandų smėlio ir žvyro smūgio bandymą, o danties paviršiuje be lupimo atsirado tik nedideli įbrėžimai. Tuo pat metu optimizuojant briaunų plokštės išdėstymą ir planetinio laikiklio guolio išankstinę apkrovą, pavarų dėžė vis tiek gali išlaikyti transmisijos tikslumą, kai ją akimirksniu veikia 1,5 karto didesnis už vardinį sukimo momentą, todėl išvengiama pavarų perkrovos nesutapimo ar dantų lūžimo pavojaus.
Sumanus pavarų dėžės dizainas sukurtas giliai suvokiant pašarų perdirbimo pramonės veikimo ir priežiūros problemas. Jo integruotas išmanusis stebėjimo modulis nėra paprastas duomenų rinktuvas, o kryžminė temperatūros, vibracijos, srovės ir kitų signalų analizė naudojant algoritminį modelį. Pavyzdžiui, kai nustatoma, kad guolio temperatūra yra neįprastai aukšta, sistema sujungs apkrovos istorijos duomenis, kad nustatytų, ar tai yra nepakankamas tepimas ar guolio susidėvėjimas, ir pateiks konkrečias priežiūros rekomendacijas. Pritaikius šią sistemą, pašarų įmonė išvengė trijų neplanuotų prastovų, iš anksto pakeisdama tepalą ir sureguliuodama guolių tarpą, o bendras įrangos efektyvumas (OEE) padidėjo 18%. Be to, jo modulinės greito atjungimo struktūros dizainą įkvėpė priekinės linijos techninės priežiūros personalo atsiliepimai. Norint visiškai pakeisti planetinės pavaros komplektą, reikia atsukti tik keturis varžtus, o techninės priežiūros laikas sutrumpėja nuo 4 valandų tradicinės konstrukcijos iki 1,5 valandos.
Kalbant apie aplinkos apsaugą ir energijos vartojimo efektyvumo optimizavimą, naujoviška pavarų dėžės konstrukcija kyla iš tikslaus pašarų pramonės poreikių suvokimo, siekiant sumažinti išlaidas ir padidinti efektyvumą. Jo šilumos išsklaidymo struktūra aklai nepadidina šilumos išsklaidymo ploto, o optimizuoja spiralės kampą ir šilumos išsklaidymo briaunų tarpus per skysčių mechanikos modeliavimą, kad natūralus šilumos išsklaidymo efektyvumas padidėtų 30%, taip sumažinant aušinimo ventiliatoriaus energijos sąnaudas. Tepimo sistemoje pritaikyta dviejų zonų alyvos tiekimo technologija, leidžianti dinamiškai reguliuoti alyvos tūrį pagal apkrovą, išvengiant tradicinių pavarų dėžių „užliejimo“ tepimo metodo, o tepalų sąnaudas sumažinant 25%. Faktinis į Europą eksportuojamos pašarų gamybos linijos matavimas rodo, kad pavarų dėžės triukšmo lygis yra 5 dB žemesnis nei ES standartas, o energijos vartojimo efektyvumo lygis siekia IE3 standartą, padedantis klientams sėkmingai išlaikyti importuojančios šalies energinio naudingumo sertifikatą. Ši dizaino koncepcija, giliai susiejanti technines detales su komercine verte, yra raktas į produkto pripažinimą rinkoje.
Sveiki! Esu Elena García, klientė iš Barselonos, Ispanijos. Jau pusantrų metų naudojame jūsų planetinę pavarų dėžę savo fotovoltinės plokštės sekimo sistemoje. Ši įranga visiškai išsprendė mūsų saulės sekimo tikslumo problemą – mūsų anksčiau naudotos pavarų dėžės sekimo nuokrypis visada būdavo apie 5 laipsnius kiekvieną rytą ir vakarą, o jūsų planetinė pavarų dėžė su koduotuvu gali kontroliuoti sekimo paklaidą 0,5 laipsnio ribose. Dabar vidutinė dienos energijos gamyba iš fotovoltinių plokščių išaugo 18%, palyginti su anksčiau, ir net sąskaita už elektrą gerokai sumažėjo. Dabar ši planetinė pavarų dėžė atlaikė druskos purslų ir stipraus vėjo išbandymą fotovoltinėje elektrinėje pajūryje. Pavarų dėžės korpuso antikorozinė danga nenukrito, o vidinės pavarų dėžės alyvos nereikia keisti taip dažnai, kaip anksčiau. Tikiuosi ateityje dirbti su jumis daugiau atsinaujinančios energijos projektų!
Esu Hansas Mülleris, inžinierius mechanikas iš Vokietijos. Prieš pusmetį įsigijau Raydafon planetines pavarų dėžes gamybos linijos atnaujinimui. Panaudojus juos, jie pranoko mano lūkesčius! Įranga veikia didele apkrova 16 valandų per dieną, kad apdirbtų didelio klampumo žaliavas. Pavarų dėžės triukšmas sumažintas 20%, transmisijos efektyvumas stabilus daugiau nei 94%, temperatūros kilimas visada kontroliuojamas 25°C ribose, o ilgaamžiškumas gerokai pranašesnis už senus modelius. Jūsų komanda buvo profesionali ir efektyvi viso proceso metu – nuo ankstyvo parametrų optimizavimo, sandarinimo struktūros koregavimo iki nuotolinio derinimo nurodymų. Detalus dizainas (pvz., dulkėms atsparūs sandarikliai ir standartizuotos tvirtinimo angos) dar labiau atspindi gilų faktinių darbo sąlygų supratimą. Raydafon gaminių kokybė ir aptarnavimo lygis privertė mane nedvejodamas įtraukti jį į ilgalaikių tiekėjų sąrašą ir drąsiai rekomenduoti savo kolegoms!
Tiek metų vadovauju rančai ir pakeičiau daug pavarų dėžių. Tik tada, kai panaudojau Raydafon planetinę pavarų dėžę, tikrai supratau, ką reiškia būti be rūpesčių! Anksčiau naudota technika maišant silosą visada buvo per maža, o pavaros dažnai slysdavo. Nesitikėjau, kad jūsų planetinė pavarų dėžė bus tokia galinga. Jūsų gaminį įdiegti daug paprasčiau nei maniau, be to, jį lengva prižiūrėti. Paskutinį kartą pats darydamas kasdienę apžiūrą, pastebėjau, kad pavarų dėžė labai sandari, o alyvos nutekėjimo žymės visiškai nesimato. Tikrai palaikysiu jus ir ateityje ir rekomenduosiu savo draugams rančeriams! ---- Markas Johnsonas
Adresas
Luotuo pramoninis rajonas, Zhenhai rajonas, Ningbo miestas, Kinija
Tel
paštas


+86-574-87168065


Luotuo pramoninis rajonas, Zhenhai rajonas, Ningbo miestas, Kinija
Autorių teisės © Raydafon Technology Group Co., Limited Visos teisės saugomos.
Links | Sitemap | RSS | XML | Privatumo politika |
