Produktai
Žemės ūkio mašinų vilkimo ir kėlimo cilindras
  • Žemės ūkio mašinų vilkimo ir kėlimo cilindrasŽemės ūkio mašinų vilkimo ir kėlimo cilindras
  • Žemės ūkio mašinų vilkimo ir kėlimo cilindrasŽemės ūkio mašinų vilkimo ir kėlimo cilindras

Žemės ūkio mašinų vilkimo ir kėlimo cilindras

Kaip seniai įsitvirtinęs Kinijoje įsišaknijęs gamintojas, Raydafon į žemės ūkio sektorių pristatė ekonomiškus žemės ūkio mašinų vilkimo ir kėlimo cilindrus, remdamasis savo gamykla ir brandžia technologija. Dėl priimtinos kainos jis tapo patikimu tiekėju daugeliui ūkininkų ir žemės ūkio technikos kooperatyvų. Šis žemės ūkio mašinų vilkimo ir kėlimo cilindras yra kaltas sutirštinto legiruotojo plieno ir sustiprintas septyniais gesinimo procesais. Jis gali lengvai pakelti 3 tonas sveriančią žemės ūkio techniką ir yra pakankamai galingas arimo technikos pakėlimui ir nuleidimui arba priekabų pakrovimui ir iškrovimui. Su patikima kokybe ir dėmesingu aptarnavimu po pardavimo, Raydafon žemės ūkio technikos vilkimo ir kėlimo cilindrai padeda žemės ūkio produkcijai įvairiose vietose veikti efektyviai.

Towing And Lifting Cylinder For Agricultural Machinery

Produkto savybės

„Raydafon“, kaip Kinijos gamintojas, giliai užsiimantis hidraulikos sritimi, sukūrė ekonomišką žemės ūkio mašinų vilkimo ir kėlimo cilindrą, kurio meistrai sukūrė savo gamyklos meistrus. Už priimtiną kainą jis tapo patikimu tiekėju daugeliui ūkių ir žemės ūkio technikos gamyklų. Šis cilindras skirtas sudėtingoms darbo sąlygoms dirbamose žemėse, o trys pagrindiniai jo pranašumai palengvina žemės ūkio darbus.


Galingas ir patvarus, visiškai atsparus kalimui: Raydafon vilkimo ir kėlimo cilindras, skirtas žemės ūkio mašinoms, yra kaltas iš kasybos tipo legiruotojo plieno, cilindro sienelė yra 30% storesnė ir yra įkalama aštuoniais gesinimo procesais, kurių kietumas panašus į geležinkelio bėgių kietumą. Jis gali stabiliai pakelti 3,5 tonos žemės ūkio technikos, o arti ir nešti sunkią techniką – jokių problemų. Paviršius padengtas keturiais antikorozinės dangos sluoksniais. Po dvejų metų nepertraukiamo naudojimo druskingoje ir šarminėje žemėje ir šlapiuose ryžių laukuose cilindro korpusas vis dar yra toks pat ryškus, kaip naujas, nepraleidžiant nė lašo aliejaus.


Stabilus kaip kalnas, lankstus eksploatuoti: originali dvipusė hidraulinė balansavimo sistema leidžia žemės ūkio mašinoms skirtą vilkimo ir kėlimo cilindrą tiksliai pakelti ir nuleisti ant nelygių keterų. Integruotas slėgio jutiklis automatiškai įjungia apsaugą, kai perkraunamas, ir sustabdo veiksmą per 0,3 sekundės.


Pritaikytas pagal poreikį, be rūpesčių aptarnavimas po pardavimo: palaiko visišką alyvos angos padėties ir eigos ilgio pritaikymą ir gali prisitaikyti prie senų modelių ir importuotų žemės ūkio mašinų. Montuojant tereikia priveržti kelis varžtus, o paprasti žemės ūkio technikos operatoriai tai gali atlikti pagal instrukcijas. Išlaikė dvigubą ISO 9001 ir žemės ūkio mašinų pramonės sertifikatą, o iškilus problemai atsakė per 24 valandas. Raydafon gaminys yra „kietasis pagalbininkas“, leidžiantis sumažinti išlaidas ir didinti žemės ūkio gamybos efektyvumą.

Towing And Lifting Cylinder For Agricultural Machinery


Produkto taikymas

Atliekant arimo darbus, žemės ūkio technikos vilkimo ir kėlimo cilindrai yra arimo įrangos „galia“. Traktoriaus traukiamas atbulinės eigos plūgas turi dažnai reguliuoti įsiskverbimo į dirvą gylį. Raydafon gaminamas alyvos cilindras gali greitai ir tiksliai pakelti ir nuleisti plūgo korpusą, taip pat gali stabiliai veikti jėgą susidūrus su kietos dirvos blokais, užtikrinant vienodą arimo gylį ir žymiai pagerinant arimo efektyvumą. Jis taip pat būtinas sėjos procese. Sėjamojoje alyvos cilindras valdo sėklų dozatoriaus pakėlimą ir nuleidimą bei slėgio rato slėgį. Sėjant alyvos cilindras leidžia slėgio ratui sutankinti dirvą atitinkama jėga, kad būtų užtikrintas glaudus sėklų ir dirvos kontaktas bei pagerintas dygimo greitis; perkeliant sklypus, jis gali greitai pakelti sėklų dozatorių, kad palengvintų mašinos judėjimą.


Derliaus nuėmimo etape pagrindinį vaidmenį atlieka kombaino žemės ūkio technikos vilkimo ir kėlimo cilindras. Kai grūdų dėžė prisipildo, tereikia paleisti alyvos cilindrą, kad būtų galima lengvai pakelti grūdų dėžę ir greitai iškrauti grūdus į transporto priemonę. Visas procesas yra sklandus ir sutaupo darbo jėgos. Be to, nuimant nukritusį derlių, alyvos cilindras taip pat gali lanksčiai reguliuoti pjaunamosios aukštį, kad būtų užtikrintas sklandus derliaus nuėmimas. Be to, žemės ūkio transporto įrangoje, pavyzdžiui, žemės ūkio savivarčiuose, alyvos cilindras kontroliuoja kaušo pakėlimą ir nuleidimą. Šiaudų ir trąšų pripildytas kibiras gali būti automatiškai pakreiptas ir iškraunamas stumiant alyvos cilindrą, o tai kelis kartus efektyviau nei krovimas rankomis. Kaip tiekėjas, siunčiantis tiesiai iš gamyklos, „Raydafon“ teikia ūkininkams ir žemės ūkio technikos įmonėms įperkamus ir patvarius produktus per didelio masto gamybą, padedantį kiekviename žemės ūkio gamybos etape.

Towing And Lifting Cylinder For Agricultural Machinery


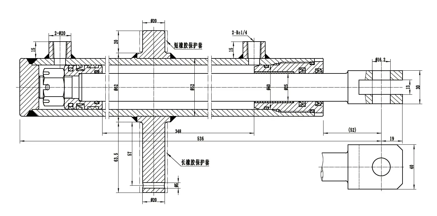
Produkto parametras:

Cilindro modelis Specifikacijos Darbinis slėgis Maksimalus atsparumas slėgiui Kelionė Montavimo atstumas Svoris
HCYY11112017 Φ40 × Φ25 × 348 16,7 MPa 24,5 MPa 348 536 6 kg

Towing And Lifting Cylinder For Agricultural Machinery



Hot Tags: Žemės ūkio mašinų vilkimo ir kėlimo cilindras
Siųsti užklausą
Kontaktinė informacija
Kilus klausimams dėl hidraulinių cilindrų, pavarų dėžių, kardaninių velenų ar kainoraščio, palikite mums savo el. laišką ir mes susisieksime per 24 valandas.
X
Naudojame slapukus siekdami pasiūlyti geresnę naršymo patirtį, analizuoti svetainės srautą ir suasmeninti turinį. Naudodamiesi šia svetaine sutinkate su mūsų slapukų naudojimu. Privatumo politika
Atmesti Priimti