QR kodas
Produktai
Susisiekite su mumis

Telefonas

Faksas
+86-574-87168065

paštas

Adresas
Luotuo pramoninis rajonas, Zhenhai rajonas, Ningbo miestas, Kinija
Raydafon trumpo lankstaus suvirinimo tipo universalioji mova SWC-DH skirta sujungti netinkamai išlygintus velenus sunkioje pavaroje – pagalvokite apie valcavimo stakles, keltuvus ir plieno apdirbimo mašinas. Tai kompaktiška trumpa lanksti universali mova, kurios sukimosi skersmuo svyruoja nuo 45 mm iki 390 mm. Net ir tada, kai velenai nukrypsta iki 25 laipsnių (kampinis poslinkis), jis vis tiek efektyviai judina sukimo momentą – maksimalus sukimo momentas yra 1000 kN·m, o tai visiškai atitinka sunkios įrangos galios poreikius.
Gaminame jį iš itin tvirto 35CrMo plieno ir pridedame keturis adatinius guolius, todėl atlaiko dideles apkrovas. Štai kodėl tai yra tvirtas pasirinkimas pramoninių mašinų universaliosioms movoms ir puikiai veikia kaip sunkiosios įrangos suvirintos universalios movos tose vietose, kur be perstojo išlieka didelė apkrova. Jo trumpo lankstumo konstrukcija puikiai tinka mašinoms, turinčioms mažai vietos ašiniam judėjimui – užtikrina tvirtą transmisijos fiksavimą sudėtingose pramoninėse erdvėse.
Raydafon yra Kinijos gamintojas, turintis ISO 9001 sertifikatą, todėl mes laikomės griežtų kokybės taisyklių kiekvienai universaliajai SWC-DH movai. Kryžminis velenas yra padengtas chromuota plokšte, apsaugančia nuo korozijos, todėl tarnauja net esant atšiaurioms sąlygoms. Suvirintas jungas taip pat palengvina montavimą – tereikia tinkamai sureguliuoti velenus ir jis veikia geriausiai. Jį rasite ant metalurgijos, kasybos ir kranų sistemų įrangos, be problemų.
Be to, ši mova yra įvairių dydžių ir skirtingų sukimo momentų. Jei jums reikia pritaikytos universalios movos pramoninei technikai – tarkime, kombainams ar kitai specifinei įrangai – galime pritaikyti ją pagal jūsų poreikius, o kaina išliks konkurencinga. Turime gamybinių žinių, kad ši trumpa lanksti mova sumažintų įrangos prastovos laiką, kad jūsų mašinos veiktų patikimiau.
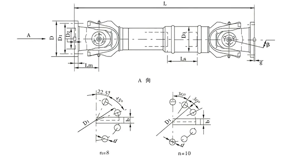
| Nr. | Sukimo skersmuo D mm | Nominalus sukimo momentas Tn KN·m | Ašių lankstymo kampas β (°) | Susidėvėjimo sukimo momentas Tf KN·m | Lankstus kiekis Ls mm | Dydis (mm) | Besisukanti inercija kg.m2 | Svoris (kg) | |||||||||||
| Lmin | D1 (js11) | D2 (H7) | D3 | Lm | n-d | k | t | b (h9) | g | Lmin | Padidinti 100 mm | Lmin | Padidinti 100 mm | ||||||
| SWC180DH1 | 180 | 20 | 10 | ≤25 | 75 | 650 | 155 | 105 | 114 | 110 | 8-17 | 17 | 5 | - | - | 0.165 | 0.0070 | 58 | 2.8 |
| SWC180DH2 | 55 | 600 | 0.162 | 56 | |||||||||||||||
| SWC180DH3 | 40 | 550 | 0.160 | 52 | |||||||||||||||
| SWC225DH1 | 225 | 40 | 20 | ≤15 | 85 | 710 | 196 | 135 | 152 | 120 | 20 | 5 | 32 | 9.0 | 0.415 | 0.0234 | 95 | 4.9 | |
| SWC225DH2 | 70 | 640 | 0.397 | 92 | |||||||||||||||
| SWC250DH1 | 250 | 63 | 31.5 | ≤15 | 100 | 795 | 218 | 150 | 168 | 140 | 8-19 | 25 | 6 | 40 | 12.5 | 0.900 | 0.0277 | 148 | 5.3 |
| SWC250DH2 | 70 | 735 | 0.885 | 136 | |||||||||||||||
| SWC285DH1 | 285 | 90 | 45 | ≤15 | 120 | 950 | 245 | 170 | 194 | 160 | 8-21 | 27 | 7 | 40 | 15.0 | 1.876 | 0.0510 | 229 | 6.3 |
| SWC285DH2 | 80 | 880 | 1.801 | 221 | |||||||||||||||
| SWC315DH1 | 315 | 125 | 63 | ≤15 | 130 | 1070 | 280 | 185 | 219 | 180 | 10-23 | 32 | 8 | 40 | 15.0 | 3.331 | 0.0795 | 346 | 8.0 |
| SWC315DH2 | 90 | 980 | 3.163 | 334 | |||||||||||||||
| SWC350DH1 | 350 | 180 | 90 | ≤15 | 140 | 1170 | 310 | 210 | 267 | 194 | 10-23 | 35 | 8 | 50 | 16.0 | 6.215 | 0..2219 | 508 | 15.0 |
| SWC350DH2 | 90 | 1070 | 5.824 | 485 | |||||||||||||||
| SWC390DH1 | 390 | 250 | 125 | ≤15 | 150 | 1300 | 345 | 235 | 267 | 215 | 10-25 | 40 | 8 | 70 | 18.0 | 11.125 | 0.2219 | 655 | |
| SWC390DH2 | 90 | 1200 | 10.763 | 600 | |||||||||||||||
* 1. Tf – esant kintamajai apkrovai sukimo momentas, kurį leidžia pagal nuovargio stiprumą. * 2. Lmin – mažiausias ilgis po pjūvio. * 3. L formos montavimo ilgis, kuris yra pagal reikalavimą
SWC universaliosios jungties jungtis, dažnai vadinama SWC kardaninio veleno universalia jungtimi, yra pagrindinis komponentas sunkiųjų pramonės scenarijų. Jis yra būtinas valcavimo staklėms, kėlimo mašinoms ir įvairioms didelės apimties sunkiųjų mašinų sistemoms. Kaip didelio sukimo momento universalios jungties mova, ji gali efektyviai sujungti du transmisijos velenus su nesutampančiomis ašimis, užtikrinant nenutrūkstamą galios perdavimą net sudėtingomis ir atšiauriomis darbo sąlygomis.
Pagrindiniai šios movos techniniai parametrai yra tokie:
Sukimo skersmuo: φ58 - φ620
Nominalus sukimo momentas: 0,15 - 1000 kN·m
Ašies sulenkimo kampas: ≤25°
Praktikoje jis veikia ypač gerai. Pavyzdžiui, valcavimo staklyno operacijų metu, kai reikalinga patikima valcavimo staklynams skirta didelio našumo universalioji jungtis, arba kėlimo ir medžiagų krovimo įrenginiuose, kai reikalinga patvari SWC universalaus veleno mova, šis gaminys yra visiškai kompetentingas. Net esant didelėms apkrovoms, jis gali stabiliai išlaikyti įrangos veikimo stabilumą.
SWC universalios jungties mova sukurta naudojant pažangius inžinerinius principus, užtikrinanti išskirtinį našumą ir ilgesnį tarnavimo laiką pramoninėje aplinkoje. Pagrindinės jo struktūros ypatybės yra šios:
Protinga ir saugi konstrukcija: su integruota šakės galvutės konstrukcija, ši pramoninė universaliosios jungties mova sumažina varžtų atsipalaidavimo ar lūžimo riziką, padidindama konstrukcijos stiprumą 30–50%. Ši konstrukcija užtikrina saugų ir patikimą veikimą, prailgina tarnavimo laiką, palyginti su tradiciniais modeliais, ir apsaugo nuo dažnų gedimų esant aukštam slėgiui, pavyzdžiui, sunkiųjų mašinų universaliųjų jungčių sukabinimo sistemose.
Didesnė laikomoji galia: SWC sunkiosios universalios jungties mova yra specialiai sukurta atlaikyti dideles apkrovas, todėl ji yra būtina scenarijuose, kuriuose reikalingas puikus apkrovos valdymas, pvz., kasybos ar statybos mašinos.
Didelis perdavimo efektyvumas: iki 98,6 % efektyvumo ši efektyvi universali jungtis, skirta didelės galios perdavimui, žymiai sumažina energijos sąnaudas ir susijusias išlaidas, todėl tai yra pirmasis pasirinkimas energiją taupantiems universaliųjų jungčių sujungimo sprendimams didelės galios pramoninėse perdavimo sistemose.
Stabilus veikimas su mažu triukšmu: ši žemo triukšmo universalioji jungtis veikia stabiliai, o triukšmo lygis paprastai yra 30–40 dB(A), užtikrinant tylų veikimą. Jis idealiai tinka triukšmui jautrioje aplinkoje, išlaikant aukštą patikimumą.
Universalios jungties movos, ypač SWC kardaninio veleno universalios jungties movos, dėl savo išskirtinių pranašumų tapo nepakeičiamais transmisijos komponentais pramonėje. Jie gali patenkinti pagrindinius poreikius, atlikdami savo veiklą tokiose srityse kaip sunkiosios mašinos, tiksli gamyba ir energijos perdavimas. Žemiau pateikiama išsami pagrindinių jų pranašumų analizė:
1. Stiprus sukimo momento perdavimas ir puikus išlyginimo kompensavimas
Kaip didelio sukimo momento universalios jungties mova, ji gali stabiliai perduoti didelės galios apkrovas. Net ir tais atvejais, kai valcavimo staklyno operacijos metu dažnai nukrypsta velenas, pvz., ašinis poslinkis, atsirandantis dėl ritinėlių susidėvėjimo ir temperatūros pokyčių plieno valcavimo metu, ši patikima, patvari universalioji jungtis, skirta valcavimo staklyno operacijoms, gali su tuo susidoroti lengvai. Jis vienu metu gali kompensuoti kampinį, ašinį ir radialinį poslinkį, o maksimalus kampinis poslinkis yra iki 25 laipsnių. Šis puikus nesuderinamumo pritaikymas apsaugo nuo transmisijos strigčių, atsirandančių dėl veleno nesutapimo, užtikrina nuolatinį ir stabilų galios tiekimą, žymiai sumažina mechaninių gedimų tikimybę esant ekstremalioms darbo sąlygoms ir garantuoja nenutrūkstamą gamybos linijų darbą.
2. Didelis patvarumas ir ilgesnis tarnavimo laikas
SWC universaliųjų jungčių movų konstrukcija ir medžiagų pasirinkimas yra orientuoti į „atsparumą didelėms apkrovoms ir atšiaurią aplinką“. Pagrindinis korpusas pagamintas iš didelio stiprumo legiruotojo plieno, kartu su integruota šakės galvutės konstrukcija, kuri iš esmės sumažina įprastus gedimo taškus, tokius kaip varžtų atsipalaidavimas ir komponentų lūžimas. Pavyzdžiui, patvari SWC universalaus veleno jungtis, naudojama kėlimo ir medžiagų krovimo įrangoje, ji gali atlaikyti momentinę smūgio apkrovą keliant sunkius daiktus ir išlaikyti stabilų veikimą atšiaurioje aplinkoje, pavyzdžiui, dulkėse ir aukštoje temperatūroje. Palyginti su tradicinėmis skeltos konstrukcijos movomis, šios pramoninės universalios jungties movos bendras stiprumas padidėjo 30–50%, o tai ne tik sumažina kasdienės priežiūros dažnumą, bet ir pailgina tarnavimo laiką 2–3 metais. Jis ypač tinka ilgalaikiams sunkiųjų mašinų universalių jungčių sukabinimo sistemų darbo poreikiams didelėje apkrovoje.
3. Didelis perdavimo efektyvumas ir reikšmingas energijos taupymo efektas
Bandymai parodė, kad SWC sunkiosios universalios jungties movos perdavimo efektyvumas siekia net 98,6%, o tai turi akivaizdžių pranašumų didelės galios pramoninio perdavimo scenarijuose, pvz., Aukštakrosnių ventiliatoriai plieno gamyklose ir anglies transportavimo sistemos elektrinėse. Įrangoje, kuriai reikalingas nuolatinis didelės galios perdavimas, suderinus su šia efektyvia universalia jungtimi, skirta dideliam energijos perdavimui, galios nuostoliai gali būti sumažinti iki minimumo. Įmonėms, ieškančioms energiją taupančių universaliųjų jungčių sujungimo sprendimų, šis aukštas efektyvumas gali būti tiesiogiai paverstas sąnaudų pranašumais: pavyzdžiui, 1500 kW galios pramoninis variklis, jis gali sutaupyti daugiau nei 12 000 juanių elektros sąnaudų per metus ir gali padėti įmonėms sumažinti reikšmingas eksploatacines sąnaudas ilgalaikiam naudojimui, kartu laikantis energijos taupymo ir vartojimo mažinimo tendencijų pramonės srityje.
4. Stabilus ir tylus veikimas, tinka daugeliui scenarijų
Optimizavus guolių tvirtinimo tikslumą ir naudojant mažo trinties koeficiento tepalą, šios žemo triukšmo universalios jungties movos veikimo triukšmas yra griežtai kontroliuojamas 30–40 dB(A), o tai atitinka kasdieninio biuro aplinkos triukšmo lygį ir visiškai atitinka pramoninių objektų triukšmo emisijos standartus. Triukšmui jautriuose scenarijuose, pavyzdžiui, gamybos linijose maisto perdirbimo įmonėse ir tiksliųjų elektroninių komponentų transportavimo įrangai, jis gali ne tik užtikrinti perdavimo sistemos stabilumą ir patikimumą, bet ir išvengti triukšmo poveikio dirbtuvių aplinkai ar darbuotojų darbo patirčiai. Tuo pačiu metu stabilios transmisijos charakteristikos taip pat gali sumažinti aplinkinių komponentų susidėvėjimą, kurį sukelia įrangos vibracija, dar labiau pagerinant visos gamybos sistemos veikimo stabilumą ir tarnavimo laiką.
SWC-DH trumpo lankstaus suvirinimo tipo universalioji mova, dažnai vadinama SWC kardaninio veleno universaliosios jungties mova, daugiausia naudojama sunkiosios technikos scenarijuose, pavyzdžiui, valcavimo staklėse ir keltuvuose. Šio tipo įrangai keliami itin aukšti konstrukcinio kompaktiškumo ir lankstumo reikalavimai – tik įvykdžius šiuos du punktus galima pasiekti efektyvų veikimą, o ši mova puikiai tenkina tokius poreikius. Kaip didelio sukimo momento universaliosios jungties mova, ji gali efektyviai sujungti du transmisijos velenus su nesutampančiomis ašimis, užtikrinant sklandų galios perdavimą net ir atšiaurioje pramoninėje aplinkoje, kurioje reikia tiksliai kompensuoti veleno sistemos nesutapimą.
Praktikoje, nesvarbu, ar valcavimo staklyno darbams reikalinga patikima sunkiųjų universaliųjų jungčių jungtis valcavimo staklyno darbams, ar patvari SWC universalaus veleno mova reikalinga kėlimo ir medžiagų krovimo įrenginiuose, šis gaminys gali puikiai veikti – gali išlaikyti stabilų įrangos veikimą net esant ekstremalioms apkrovoms. Jo pritaikomumo pranašumas ypač ryškus kompaktiškuose įrangos išdėstymuose, kur erdvė yra ribota ir reikalinga trumpa lanksti konstrukcijos konstrukcija.
Ši SWC-DH pramoninė universalioji jungtis sukurta naudojant pažangią inžinerinę technologiją ir optimizuota našumui bei eksploatavimo trukmei, specialiai pramoniniam scenarijui. Pagrindinė jo konstrukcijos ypatybė yra pagrįsta ir saugi konstrukcija: integruota šakės galvutės konstrukcija iš esmės pašalina paslėptus varžtų atsipalaidavimo ar lūžimo pavojus, padidindama bendrą stiprumą 30–50%. Ši konstrukcija ne tik užtikrina eksploatacijos saugumą ir patikimumą, bet ir prailgina tarnavimo laiką, palyginti su tradiciniais modeliais, tuo pačiu išvengiant įprastų gedimų problemų esant dideliam įtempimui, pavyzdžiui, sunkiųjų mašinų universaliųjų jungčių sukabinimo sistemose.
Be to, jo laikomoji galia yra padidinta dėl dizaino, kad atlaikytų didesnį svorį, todėl ši SWC sunkiosios universalios jungties mova yra labai tinkama scenarijuose su griežtais laikomosios galios reikalavimais, pavyzdžiui, kasybos mašinoms ir statybinei įrangai. Kalbant apie perdavimo efektyvumą, jis siekia iki 98,6%. Kaip efektyvi universalaus jungties mova, skirta dideliam energijos perdavimui, ji gali žymiai sumažinti energijos suvartojimą ir elektros sąnaudas, todėl tai yra pageidaujamas gaminys energiją taupantiems universaliųjų jungčių sujungimo sprendimams didelės galios pramoninio perdavimo srityje.
Galiausiai, ši mova pasižymi stabilia transmisija, o veikimo triukšmas paprastai reguliuojamas 30–40 dB(A), todėl tai yra mažai triukšminga universaliosios jungties mova. Ši charakteristika leidžia jam veikti tyliai net ir triukšmui jautriuose pramonės scenarijuose, išlaikant aukštą patikimumą visą laiką.
⭐⭐⭐⭐⭐ Wang Lei, projektų inžinierius, Guangdong Heavy Machinery Co., Ltd.
Raydafon SWC-DH trumpo lankstaus suvirinimo tipo universalią movą jau kurį laiką naudojame sunkiosiose mašinose ir tai maloniai nustebino, ypač kai reikia pritaikyti ankštose vietose. Mūsų įrangoje yra gana mažai vietos transmisijos dalims, tačiau kompaktiška šios movos konstrukcija tinka kaip pirštinė, todėl nereikia pertvarkyti kitų komponentų, kad ji veiktų.
Dar geriau yra tai, kad jis nepraranda našumo dėl dydžio. Jis vis tiek užtikrina tvirtą, pastovų sukimo momento perdavimą – tai labai svarbu mūsų sunkioms operacijoms. Nepertraukiamai veikėme kelias savaites ir nebuvo jokios neįprastos vibracijos; visa sistema lieka sklandi. Suvirinimo kokybė taip pat yra dar vienas akcentas – galite suprasti, kad jis tvirtas tik pažvelgęs į jį, o tai suteikia mums visišką pasitikėjimą, kad jis atlaikys ilgalaikį intensyvų naudojimą. Ši sankaba, kuri suderina erdvę taupantį dizainą ir patikimumą, yra nugalėtoja.
⭐⭐⭐⭐⭐ Zhao Ming, pirkimų vadovas, Tianjin Steel Equipment Co., Ltd.
Neseniai iš „Raydafon“ užsisakėme keletą SWC-DH jungčių, ir turiu pasakyti, kad visas pirkimo procesas buvo lengvas – jokio galvos skausmo, jokio vėlavimo. Nuo to momento, kai išsiuntėme užsakymą, jų komanda reagavo, o pristatymas pasirodė tiksliai numatytą datą, o tai yra didelis pliusas, kad mūsų gamyba nenutrūktų. Pakuotė taip pat buvo aukščiausios klasės: kiekviena mova buvo saugiai suvyniota, nebuvo įlenkimų ar pažeidimų gabenimo metu – tiesiog paruošta išpakuoti ir sumontuoti.
Mūsų techninė komanda tvarkė sąranką ir iškart paminėjo, kaip lengva jį sumontuoti. Jokių sudėtingų žingsnių, nereikia ieškoti specialių įrankių – jie greitai sumontavo ir nuo to laiko veikia patikimai. Jei atsižvelgsite į priimtiną kainą kartu su šiuo pastoviu našumu, aišku, kad ši mova yra labai vertinga. Jau planuojame jį palikti mūsų įprastų pirkimų sąraše; tai toks produktas, kuris palengvina mano, kaip pirkėjo, darbą.
⭐⭐⭐⭐⭐ Liu Hong, Shandong Industrial Group priežiūros direktorius
Kaip įrangos techninę priežiūrą atliekančiam žmogui, didžiausias prioritetas yra sumažinti prastovų laiką ir sumažinti laiką, kurį mano komanda skiria dalių priežiūrai. „Raydafon“ SWC-DH jungtis puikiai patikrina abi šias dėžes. Naudojame jį įrangoje, kuri kasdien dirba esant dideliam darbo krūviui, ir ji niekada neslysta ar pasislenka – tvirtai laikosi vietoje, nėra laisvų jungčių. Net po kelių mėnesių naudojimo beveik nėra jokių nusidėvėjimo požymių, o tai yra didžiulis kontrastas su kitomis anksčiau naudotomis movomis.
Su tomis senesnėmis movomis mes visada planuodavome greitus pataisymus arba dalių keitimą, o tai sunaudodavo gamybos laiką ir padidindavo išlaidas. Šis? Vos paliečiame jį – jokio dažno aptarnavimo, jokių netikėtų gedimų. Sutaupėme daug laiko ir pinigų priežiūros darbams, be to, jis ir toliau patikimai atlieka savo darbą. Šiomis dienomis tai tapo mūsų kasdienės veiklos komponentu; Neturiu jaudintis, kad tai nepavyks, todėl galiu sutelkti dėmesį į kitus prioritetus. Tai yra būtent tokia patikima dalis, kurios reikia kiekvienai techninės priežiūros komandai.
Adresas
Luotuo pramoninis rajonas, Zhenhai rajonas, Ningbo miestas, Kinija
Tel
paštas


+86-574-87168065


Luotuo pramoninis rajonas, Zhenhai rajonas, Ningbo miestas, Kinija
Autorių teisės © Raydafon Technology Group Co., Limited Visos teisės saugomos.
Links | Sitemap | RSS | XML | Privatumo politika |
