QR kodas
Produktai
Susisiekite su mumis

Telefonas

Faksas
+86-574-87168065

paštas

Adresas
Luotuo pramoninis rajonas, Zhenhai rajonas, Ningbo miestas, Kinija
Raydafon SWC-BF standartinė lankstaus flanšo tipo universali mova sukurta taip, kad sukimo momentas būtų patikimai judinamas sunkiose mašinose – pagalvokite apie valcavimo staklynus, popieriaus gamybos įrangą, pramonines pavaras ir visas sąrankas, kurioms reikalingas stiprus veikimas. Jis turi lankstų flanšo dizainą, kurio sukimosi skersmuo svyruoja nuo 180 mm iki 620 mm, o ši standartinė lanksti universali mova atlaiko kampinius poslinkius iki 15 laipsnių ir net 1250 kN·m sukimo momentą. Net ir sudėtingoje darbo aplinkoje jis veikia stabiliai, nenukrenta. Gaminame jį su itin tvirtu 35CrMo plienu ir tiksliais adatiniais guoliais, todėl puikiai tinka kaip universalios jungtys pramoninėms mašinoms ir lanksčios flanšinės jungtys sunkiajai įrangai – stipriai judina galią ir beveik nepastebi jokios vibracijos.
Mūsų gamyba Kinijoje atitinka ISO 9001 standartus, todėl universali SWC-BF mova tarnauja ilgai ir yra atspari korozijai – visa tai dėka chromuoto skersinio veleno. Flanšinė jungtis palengvina montavimą, o tai labai padeda tokiose srityse kaip metalurgija, kasyba ir laivų statyba – vietose, kur reikia vidutinio ašinio lankstumo. Taip pat galime pritaikyti jo dydį ir sukimo momento įvertinimus, todėl ši tvirta lanksti universali mova puikiai tinka kaip pritaikyta universali mova, skirta valcavimo staklėms ir kitiems pramonės poreikiams. Ir kaina yra konkurencinga, be perkrovimo. „Raydafon“ žinios reiškia, kad sugaišite mažiau laiko priežiūrai, o jūsų įranga išliks patikimesnė – operatoriai visame pasaulyje gali tuo pasikliauti.
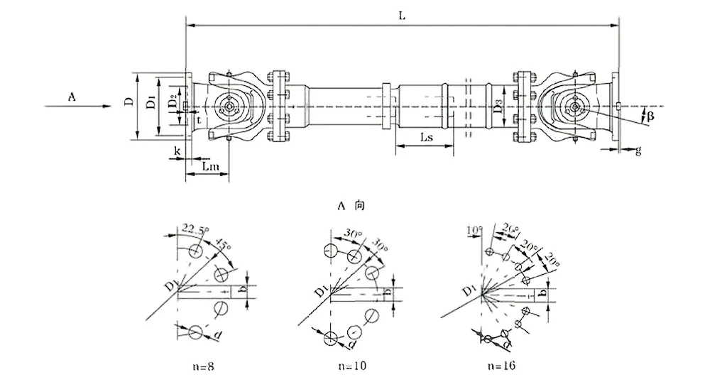
| Nr. | Sukimo skersmuo D mm | Nominalus sukimo momentas Tn KN·m | Ašių lankstymo kampas β (°) | Pavargęs sukimo momentas Tf KN·m | Lankstus kiekis Ls mm | Dydis (mm) | Besisukanti inercija kg.m2 | Svoris (kg) | |||||||||||
| Lmin | D1 (js11) | D2 (H7) | D3 | Lm | n-d | k | t | b (h9) | g | Lmin | Padidinti 100 mm | Lmin | Padidinti 100 mm | ||||||
| SWC180BF | 180 | 12.5 | 6.3 | ≤25 | 100 | 810 | 155 | 105 | 114 | 110 | 8-17 | 17 | 5 | -1.455 | - | 0.27 | 0.0070 | 80 | 2.8 |
| SWC225BF | 225 | 40 | 20 | ≤15 | 140 | 920 | 196 | 135 | 152 | 120 | 8-17 | 20 | 5 | 32 | 9 | 0.79 | 0.0234 | 138 | 4.9 |
| SWC250BF | 250 | 63 | 31.5 | 1035 | 218 | 150 | 168 | 140 | 8-19 | 25 | 6 | 40 | 12.5 | 1.46 | 0.0277 | 196 | 5.3 | ||
| SWC285BF | 285 | 90 | 45 | 1190 | 245 | 170 | 194 | 160 | 8-21 | 27 | 7 | 40 | 15 | 2.87 | 0.0510 | 295 | 6.3 | ||
| SWC315BF | 315 | 125 | 63 | 1315 | 280 | 185 | 219 | 180 | 10-23 | 32 | 8 | 40 | 15 | 5.09 | 0.0795 | 428 | 8.0 | ||
| SWC350BF | 350 | 180 | 90 | 150 | 1410 | 310 | 210 | 267 | 194 | 10-23 | 35 | 8 | 50 | 16 | 9.20 | 0.2219 | 632 | 15.0 | |
| SWC390BF | 390 | 250 | 125 | 170 | 1590 | 345 | 235 | 267 | 215 | 10-25 | 40 | 8 | 70 | 18 | 16.62 | 0.2219 | 817 | 15.0 | |
| SWC440BF | 440 | 355 | 180 | 190 | 1875 | 390 | 255 | 325 | 260 | 16-28 | 42 | 10 | 80 | 20 | 28.24 | 0.4744 | 1290 | 21.7 | |
| SWC490BF | 490 | 500 | 250 | 190 | 1985 | 435 | 275 | 325 | 270 | 16-31 | 47 | 12 | 90 | 22.5 | 46.33 | 0.4744 | 1631 | 21.7 | |
| SWC550BF | 550 | 710 | 355 | 240 | 2300 | 492 | 320 | 426 | 305 | 16-31 | 50 | 12 | 100 | 22.5 | 86.98 | 1.3570 | 2567 | 34.0 | |
| SWC620BF | 620 | 1000 | 500 | 240 | 2500 | 555 | 380 | 426 | 340 | 10-38 | 55 | 12 | 100 | 25 | 147.50 | 1.3570 | 3267 | 34.0 | |
Universalios movos – taip pat vadinamos universaliųjų jungčių movomis – yra mechaninės dalys, perkeliančios sukimo momentą ir sukimosi judesius tarp dviejų velenų, kurie gali nesutapti idealiai. Jie valdo kampinius, ašinius ir radialinius nesutapimus, tuo pačiu išlaikant efektyvų galios perdavimą įvairiose pramonės srityse. „Raydafon“ mūsų SWC kardaninio veleno universaliųjų jungčių movų serija yra puikus aukščiausios klasės inžinerijos pavyzdys, siūlantis didelio sukimo momento universaliųjų jungčių sujungimo sprendimus, sukurtus tik didelėms apkrovoms, pvz., valcavimo staklėms ir kėlimo mašinoms.
Išskirkime pagrindinius universaliųjų jungčių movų tipus:
Pirmiausia tai yra bendra universalioji jungtis. Jame yra vienas kryžminis šarnyras, jungiantis du jungus, todėl velenai gali turėti kampinį poslinkį iki 45 laipsnių. Tai gerai veikia nustatant vidutinius poslinkius, nors tai gali sukelti greičio pokyčius. Raydafon patikima sunkiųjų universalių jungčių mova, skirta valcavimo staklyno operacijoms, dažnai naudoja vienos jungties konstrukcijas kompaktiškose konstrukcijose, todėl puikiai laikosi net esant didelėms apkrovoms.
Tada yra dviguba universali jungtis. Jame yra dvi viena su kita sujungtos jungtys, kurios leidžia valdyti didesnius nesutapimus ir išlaiko beveik pastovų transmisijos greitį – puikiai tinka sudėtingoms veleno sąrankoms. Kai jums reikia patvarios SWC universalaus veleno movos kėlimo ir medžiagų krovimo įrangoje, Raydafon dvigubų jungčių modeliai padidina stabilumą ir sumažina vibraciją didelės įtampos pramoninėse universaliųjų jungčių movos sistemose.
Kitas yra teleskopinis arba išplečiamas universalus jungtis. Jame yra įdubimų arba slankiojančių dalių, kurios leidžia reguliuoti ilgį ir kompensuoti nesutapimą, o tai tinka ašiniams judesiams esant dinaminėms sąrankoms. Raydafon SWC sunkiosios universalios jungties mova turi teleskopines parinktis – jos veikia kaip efektyvios universalios jungties movos, skirtos dideliam energijos perdavimui tokiose vietose kaip kasyklos ar statybvietės, kur reikia lankstumo dėl veleno ilgio.
Taip pat yra kieto, gręžtinio arba susukto stebulių tipų. Jie skiriasi tuo, kaip jie jungiasi: kietos stebulės neturi skylių, gręžtos stebulės turi apvalias, šešiakampes arba kvadratines angas, o stebulėse yra grioveliai, užtikrinantys tvirtą prigludimą. Energiją taupantiems universaliųjų jungčių sujungimo sprendimams „Raydafon“ siūlo netriukšmingų universaliųjų jungčių sujungimo konstrukciją – jie optimizuoja sukimo momentą ir sumažina triukšmą iki 30–40 dB(A) jautriose pramonės vietose.
„Raydafon“ universalių jungčių movos, įskaitant SWC seriją, yra pagamintos naudojant integruotą šakės galvutės dizainą – nebeliko problemų, susijusių su varžtais, o tai padidina stiprumą 30–50%, o transmisijos efektyvumą pasiekia iki 98,6%. Dėl šių savybių mūsų produktai yra geriausias pasirinkimas profesionalams, kuriems reikia pritaikytų aukštos kokybės sprendimų.
Universalios movos – kaip puikų pavyzdį imkime Raydafon SWC kardaninio veleno universaliosios jungties movą – pramoninėms transmisijos sistemoms suteikia daug naudos. Jie efektyviai perkelia sukimo momentą tarp nesulygiuotų velenų, valdo įvairius nukrypimus ir yra būtini norint sklandžiai veikti sudėtingose aplinkose, pvz., tose, kurioms reikia didelio sukimo momento universaliųjų jungčių sujungimo sprendimų.
Pasinerkime į pagrindinius jų pranašumus: pirma, jie puikiai kompensuoja nesutapimus. Universalios jungtys atlaiko kampinius, ašinius ir radialinius poslinkius iki 25 laipsnių, todėl jos yra patikimos sunkios universalios jungties movos valcavimo staklėse. Jie tai daro nesukeldami pernelyg didelio mechaninio įtempio ar vibracijos, todėl jūsų mašinos išlieka apsaugotos.
Tada yra jų tvirtas patvarumas ir ilgas tarnavimo laikas. Gaminame šias movas naudodami integruotą šakės galvutės dizainą ir itin tvirtas medžiagas, todėl sumažėja rizika, pvz., atsilaisvins ar sulūžtų varžtai, – 30–50 % padidinamas konstrukcijos vientisumas. Štai kodėl patvari SWC kardaninio veleno mova kėlimo ir medžiagų krovimo įrangoje taip gerai veikia ilgus ruožus atšiauriomis sąlygomis; jis gerokai pranoksta tradicinius modelius.
Jie taip pat turi aukščiausios klasės apkrovą ir sukimo momentą. Sukurta išlaikyti didelius svorius ir perduoti vardinius sukimo momentus nuo 0,15 iki 1000 kN·m, pramoninė universaliųjų jungčių mova puikiai tinka sunkiųjų mašinų universaliųjų jungčių sujungimo sistemose. Taikant šias sąrankas, nuoseklus veikimas esant ekstremalioms apkrovoms yra „padaryti arba pertraukti“, ir ši mova veikia kiekvieną kartą.
Kalbant apie energijos perdavimo efektyvumą, juos sunku įveikti. Iki 98,6 % efektyvumo pasiekianti SWC sunkiosios universalios jungties mova sumažina energijos nuostolius. Dėl to tai yra efektyvi universalioji jungtis, skirta didelės galios pramoniniam naudojimui, o ilgainiui šis efektyvumas prisideda prie realių išlaidų sutaupymo.
Paskutinis, bet ne mažiau svarbus dalykas – jie taupo energiją ir veikia tyliai. Kaip energiją taupantys universalių jungčių sujungimo sprendimai, jie sumažina elektros suvartojimą ir veikia tik 30–40 dB(A). Ši mažai triukšminga universalioji jungtis puikiai tinka pramoninėms vietoms, kuriose triukšmas kelia susirūpinimą – jūs gaunate visą reikalingą patikimumą be triukšmo.
Universalios movos (dauguma žmonių jas vadina universaliosiomis jungtimis) veikia pagal paprastą, bet efektyvią mechaninę idėją: jos perkelia sukimo momentą ir sukimosi judesius tarp dviejų velenų, kurie nėra idealiai išsidėstę, ir apdoroja kampinius, ašinius ir radialinius nesutapimus nepraleisdami ritmo. Paimkite, pavyzdžiui, Raydafon SWC kardaninio veleno universaliąją jungtį – tai puikus šio principo pavyzdys. Jame naudojamas kryžiaus formos ašis (dažnai tai vadiname voru), kad sujungtų kiekvieno veleno jungas, todėl galia sklandžiai perduodama net ir esant užimtoms pramoninėms sąrankoms.
Veikimo esmė yra kryžminis ašis: jis leidžia jungoms suktis nepriklausomai, o tai kompensuoja veleno pakrypimą iki 25 laipsnių, išlaikant pastovų sukimo momento tiekimą. Ši didelio sukimo momento universaliosios jungties mova taip pat sumažina sukimosi greičio pokyčius iki minimumo, ypač kai tai dviguba jungtis, todėl ji puikiai tinka darbams, kuriems reikalinga patikima ir patvari universaliosios jungties jungtis valcavimo staklyno operacijoms. O su Raydafon SWC serija pridėjome integruotą šakės galvutės dizainą, kad šis mechanizmas būtų dar geresnis: jis pašalina problemas, pvz., atsilaisvina varžtus, padidina konstrukcijos stiprumą 30–50 % ir padeda ilgiau tarnauti didelės įtampos vietose.
Šis principas taip pat palaiko didelę apkrovą. Mova atlaiko vardinius sukimo momentus nuo 0,15 iki 1000 kN·m, o sukimosi skersmuo yra nuo φ58 iki φ620 – štai kodėl patvari SWC universalaus veleno jungtis kėlimo ir medžiagų krovimo įrangoje yra toks tvirtas pasirinkimas sunkioms operacijoms. Be to, pramoninė universaliųjų jungčių mova pasiekia iki 98,6 % perdavimo efektyvumą ir sumažina energijos suvartojimą sunkiųjų mašinų universaliųjų jungčių sukabinimo sistemose.
Be to, Raydafon SWC sunkiosios universalios jungties movos funkcijos atitinka sklandaus veikimo principą: ji palaiko stabilų perdavimą, o triukšmas išlieka 30–40 dB(A). Dėl to tai yra efektyvi universaliosios jungties mova, skirta dideliam energijos perdavimui, ir geriausias energiją taupantis universalios jungties sujungimo sprendimas, skirtas didelės galios pramoniniams įrenginiams. Apibendrinant, ši mažai triukšminga universalioji jungtis užtikrina tylą, todėl puikiai veikia vietose, kur triukšmas kelia susirūpinimą, neprarandant patikimumo.
⭐⭐⭐⭐⭐ Li Jun, vyresnysis inžinierius, Jiangsu Power Equipment Co., Ltd.
Jau keletą mėnesių naudojame Raydafon SWC-BF standartinę lanksčios flanšo tipo universalią movą ir ji puikiai veikia. Labiausiai išsiskiria šios movos lankstumas – dėl to mūsų mašinos tapo daug patikimesnės, ypač kai reikia kompensuoti veleno nesutapimą. Įdiegimas buvo sklandus, jokių sudėtingų žingsnių, o suvirinimo kokybė taip pat atrodo tvirta – neabejotinai suteikia mums ramybės, kad jis truks. Dėl kainos tai tikrai gera vertė, o jei dirbate sunkiųjų mašinų pramonėje, aš tikrai rekomenduočiau šią lanksčią flanšinę universalią movą.
⭐⭐⭐⭐⭐ Johnas Davisas, mechanikos inžinierius, Manchester Engineering Ltd., JK
Savo Mančesterio gamykloje seną jungtį iškeitėme į Raydafon SWC-BF standartinę lanksčios flanšo tipo universalią movą ir skirtumas buvo akivaizdus iš karto. Ši universali jungtis sklandžiai ir efektyviai perkelia galią, net kai ją eksploatuojame didelės įtampos sąlygomis – ji niekada nepasileidžia. Dėl lankstumo ir tvirtos konstrukcijos mūsų mašinos veikia be kliūčių. Be to, „Raydafon“ greitai gavo pristatymą, o klientų aptarnavimas buvo aukščiausios klasės – visa pirkimo patirtis tapo daug geresnė. Labai rekomenduoju šią patikimą lanksčią universalią movą!
⭐⭐⭐⭐⭐ Matteo Rossi, operacijų vadovas, Milano pramonės sprendimai, Italija
Ieškojome universalios movos, kuri galėtų gerai susidoroti su nesuderinamumu, ir taip radome Raydafon SWC-BF standartinę lanksčios flanšo tipo universalią movą. Naudojame jau kelias savaites ir galiu tvirtai pasakyti, kad jis patikrina visas mūsų dėžutes. Įdiegti buvo lengva, be papildomų rūpesčių ir net tada, kai susiduriame su sudėtingomis sąlygomis, jis išsilaiko. Kokybė yra puiki už kainą – tikrai protinga investicija į mūsų mašinas. Esu tikrai patenkintas tiek produktu, tiek „Raydafon“ suteikta paslauga.
„Raydafon“ nėra tik gamintojas – esame pirmaujanti aukščiausios klasės transmisijos komponentų ir pramoninių mašinų sprendimų tiekėja, taip pat turime didelę patirtį gaminant tokius produktus kaip SWC kardaninio veleno universaliosios jungties mova. Pradėjome nuo naujovių ir kokybės, o laikui bėgant išplėtėme savo asortimentą, įtraukdami pavarų dėžes, varomuosius velenus, hidraulinius cilindrus, skriemulius ir pažangias stakles – visa tai sukurta taip, kad atitiktų griežtus žemės ūkio ir sunkiosios pramonės poreikius. Mūsų didelio sukimo momento universalios jungties movos sprendimai yra sukurti atsargiai, užtikrinant sklandų sukimo momento perdavimą ir teisingą išlyginimo pašalinimą – jie yra būtini klientams, kuriems reikia patikimos ir patvarios universalios jungties movos valcavimo staklyno operacijoms.
Mūsų gamybos įrenginiai yra moderniausi: turime CNC dirbtuves, šlifavimo ir terminio apdorojimo įrenginius bei 3D matavimo sistemas. Mes laikomės griežtų standartų, tokių kaip ISO9001/TS16949, todėl kiekviena mūsų gaminama pramoninė universalioji mova yra tiksli ir sukurta taip, kad tarnautų. Paimkite, pavyzdžiui, mūsų patvarią SWC universalaus veleno movą kėlimo ir medžiagų krovimo įrangoje – ji optimizuota vietoms, kurioms reikia didelės laikomosios galios. O mūsų SWC sunkiosios universalios jungties mova? Jis išsprendžia problemas sunkiosios technikos universaliųjų jungčių sukabinimo sistemose, kur stabilumo išlikimas ekstremaliomis sąlygomis yra nediskutuotinas.
Esame dideli ir pasaulinio masto – 80 % mūsų produktų eksportuojama į tokias rinkas kaip JAV, Vokietija, Japonija, Italija, Malaizija, Australija ir Viduriniai Rytai. Turime tvirtą tinklą Kinijoje, Pietų Korėjoje, JK, Singapūre, JAV ir Ispanijoje, todėl galime sukurti pritaikytą efektyvią universalią jungtį didelėms galios perdavimo galimybėms. Jie pritaikyti konkretiems poreikiams, pvz., mūsų energiją taupantys universalių jungčių sujungimo sprendimai, kurie pasiekia iki 98,6 % perdavimo efektyvumą ir sumažina energijos suvartojimą didelės galios sąrankose.
Mums svarbu tvarumas ir į klientą orientuotos naujovės. Štai kodėl siūlome mažai triukšmingų universalių jungčių sujungimo variantus, kurie palaiko triukšmą tarp 30–40 dB(A) – puikiai tinka pramoninėms vietoms, kuriose triukšmas kelia susirūpinimą. Viską palaikome su visapusišku aptarnavimu po pardavimo. Mūsų įsipareigojimas viską daryti teisingai daro Raydafon patikimu partneriu perdavimo pramonėje, padedančiu profesionalams išgauti geriausią įrangos našumą ir patikimumą.
Adresas
Luotuo pramoninis rajonas, Zhenhai rajonas, Ningbo miestas, Kinija
Tel
paštas


+86-574-87168065


Luotuo pramoninis rajonas, Zhenhai rajonas, Ningbo miestas, Kinija
Autorių teisės © Raydafon Technology Group Co., Limited Visos teisės saugomos.
Links | Sitemap | RSS | XML | Privatumo politika |
