QR kodas
Produktai
Susisiekite su mumis

Telefonas

Faksas
+86-574-87168065

paštas

Adresas
Luotuo pramoninis rajonas, Zhenhai rajonas, Ningbo miestas, Kinija
Raydafon SWC-WD trumpas be lankstaus flanšo tipo universalioji mova sukurta taip, kad sukimo momentas būtų efektyviai judinamas sunkiose mašinose – pagalvokite apie plieno valcavimo staklynus, kranus, kėlimo įrangą ir visą tą sunkią įrangą. Jis turi kompaktišką, neteleskopinį flanšo dizainą, kurio skersmuo svyruoja nuo 180 mm iki 1320 mm. Ši trumpų flanšų universali mova gali atlaikyti iki 15 laipsnių kampinius poslinkius ir net 16 000 kN·m sukimo momentą, todėl net ankštose erdvėse, kur nėra daug vietos, ji patikimai perduoda galią. Gaminame jį iš didelio stiprumo 35CrMo plieno, kurio guolių konstrukcija nereikalauja varžtų – puikiai tinka universalioms sunkiosios technikos movoms ir neteleskopinėms universalioms movoms pramoninėms reikmėms. Jis nereikalauja daug priežiūros ir trunka amžinai, o tai yra būtent tai, ko jums reikia sudėtingose sąrankose.
Mūsų gamyba Kinijoje atitinka ISO 9001 standartus, todėl universali SWC-WD mova atlaiko atšiaurias sąlygas. Kryžminis velenas yra chromuotas, kad būtų atsparus korozijai ir padidina jo tvirtumą. Dėl standaus, suvirinto flanšo konstrukcijos montavimas yra paprastas, ypač metalurgijos ir kasybos įrangoje, kur ašinis judėjimas yra gana minimalus. Galime pritaikyti dydį pagal jūsų poreikius, todėl ši patvari trumpa universali mova puikiai tinka kaip pritaikyta universali mova kranų sistemoms ir kitiems sunkiems darbams. Ir kaina taip pat konkurencinga. Tikslus Raydafon meistriškumas reiškia mažiau prastovų ir patikimesnę įrangą – tuo gali pasikliauti pramonės operatoriai visame pasaulyje.
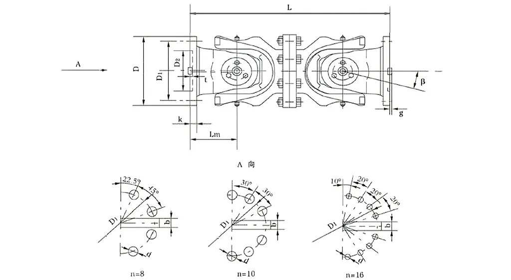
| Nr. | Sukimo skersmuo D mm | Nominalus sukimo momentas Tn KN·m | Ašių lankstymo kampas β (°) | Pavargęs sukimo momentas Tf KN·m | Dydis (mm) | Svoris (kg) | |||||||||
| Lmin | D1 (js11) | D2 (H7) | Lm | n-d | k | t | b (h9) | g | Lmin | Padidinti 100 mm | |||||
| SWC180WD | 180 | 12.5 | 6.3 | ≤25 | 440 | 155 | 105 | 110 | 8-17 | 17 | 5 | - | - | 0.145 | 52 |
| SWC225WD | 225 | 40 | 20 | ≤15 | 480 | 196 | 135 | 120 | 8-17 | 20 | 5 | 32 | 9.0 | 0.355 | 82 |
| SWC250WD | 250 | 63 | 31.5 | 560 | 218 | 150 | 140 | 8-19 | 25 | 6 | 40 | 12.5 | 0.831 | 127 | |
| Swc285wd | 285 | 90 | 45 | 640 | 245 | 170 | 160 | 8-21 | 27 | 7 | 40 | 15.0 | 1.715 | 189 | |
| SWC315WD | 315 | 125 | 63 | 720 | 280 | 185 | 180 | 10-23 | 32 | 8 | 40 | 15.0 | 2.820 | 270 | |
| SWC350WD | 350 | 180 | 90 | 776 | 310 | 210 | 194 | 10-23 | 35 | 8 | 50 | 16.0 | 4.791 | 370 | |
| SWC390WD | 390 | 250 | 125 | 860 | 345 | 235 | 215 | 10-25 | 40 | 8 | 70 | 18.0 | 8.229 | 524 | |
| Swc440wd | 440 | 355 | 180 | 1040 | 390 | 255 | 260 | 16-28 | 42 | 10 | 80 | 20.0 | 15.320 | 798 | |
| SWC490WD | 490 | 500 | 250 | 1080 | 435 | 275 | 270 | 16-31 | 47 | 12 | 90 | 22.5 | 25.740 | 1055 | |
| SWC550WD | 550 | 710 | 355 | 1220 | 492 | 320 | 305 | 16-31 | 50 | 12 | 100 | 22.5 | 46.780 | 1524 | |
| SWC620WD | 620 | 1000 | 500 | 1360 | 555 | 380 | 340 | 10-38 | 55 | 12 | 100 | 25.0 | 83.760 | 2120 | |
* 1. Tf – esant kintamajai apkrovai sukimo momentas, kurį leidžia pagal nuovargio stiprumą.
Raydafon SWC universaliosios jungties mova, paprastai vadinama SWC kardaninio veleno universaliosios jungties mova, nėra tik dalis; jį būtina turėti sunkios pramonės srityse, pvz., valcavimo staklynuose, kėlimo įrenginiuose ir įvairiose sudėtingose sunkiosios technikos sąrankose. Kaip didelio sukimo momento universaliosios jungties mova, ji atlieka tvirtą darbą, sujungdama du ne idealiai išlygintus transmisijos velenus, užtikrindama, kad galia būtų tiekiama sklandžiai net ir esant tikrai atšiaurioms darbo sąlygoms.
Pakalbėkime apie pagrindines jo specifikacijas: sukimosi skersmuo svyruoja nuo φ58 iki φ620, vardinis sukimo momentas svyruoja nuo 0,15 iki 1000 kN·m, o ašies sulenkimo kampas yra ne didesnis kaip 25°.
Ši mova geriausiai veikia tam tikrose vietose, pvz., kai jums reikia patikimos, tvirtos universalios jungties movos valcavimo staklyno operacijoms arba patvarios SWC kardaninio veleno movos kėlimo ir medžiagų krovimo įrangoje. Tokiais atvejais jis demonstruoja savo jėgą: net ir esant dideliam įtempimui, jis veikia stabiliai, nėra netvarkos ar gedimų.
Raydafon SWC universalios jungties mova nėra tiesiog sujungiama – ji sukurta naudojant išmanią, naujausią inžineriją, kad puikiai veiktų ir ilgai tarnautų pramonėje. Pažiūrėkime, kuo išsiskiria jo struktūra.
Pirma, jo konfigūracija yra pagrįsta ir saugi: šiai pramoninei universalaus jungties movai panaudojome integruotą šakės galvutės konstrukciją, kuri sumažina riziką, pvz., atsilaisvins ar sulūžs varžtai. Vien dėl šio pakeitimo jis apskritai yra 30–50% tvirtesnis, todėl veikia saugiai ir nuosekliai. Palyginti su įprastomis movomis, jis tarnauja daug ilgiau ir išvengia įprastų problemų didelės įtampos vietose, pavyzdžiui, sunkiųjų mašinų universaliųjų jungčių sukabinimo sistemos, kurias matote atliekant sunkius darbus.
Taip pat yra padidinta laikomoji galia: ši SWC sunkiosios universalios jungties mova yra skirta atlaikyti didelius svorius, todėl ją būtina turėti vietose, kur reikia aukščiausios klasės krovinių valdymo, pavyzdžiui, kasybos įrangos ar statybinių mašinų.
Jis taip pat pasiekia aukštą perdavimo efektyvumą – iki 98,6%. Kaip efektyvi universali jungtis, skirta dideliam energijos perdavimui, sumažina energijos suvartojimą ir su tuo susijusias išlaidas. Štai kodėl tai yra geriausias pasirinkimas energiją taupantiems universaliųjų jungčių sujungimo sprendimams didelės galios pramoninėse transmisijose.
Jis veikia sklandžiai ir mažai triukšmo: transmisija išlieka stabili, o triukšmas paprastai svyruoja tarp 30–40 dB(A). Ši mažai triukšminga universalioji jungtis užtikrina tylų veikimą, o tai puikiai tinka pramoninėms vietoms, kur triukšmas kelia problemų – išlaikant aukštą patikimumo lygį.
⭐⭐⭐⭐⭐ Zhang Wei, Henan Mining Equipment Co., Ltd. vyriausiasis inžinierius.
Mes įdėjome į savo kalnakasybos mašinas Raydafon SWC-WD Short Without Flex Flanšo tipo universalią movą ir ji puikiai tiko. Jo kompaktiškas dizainas yra būtent tai, ko mums reikia ankštose erdvėse, kur nėra daug vietos, o konstrukcija yra pakankamai tvirta, kad veiktų stabiliai. Net kai jis be perstojo veikia sunkiomis sąlygomis, ši mova niekada mūsų nenuvilia – jokių gedimų. Mūsų techninės priežiūros komandai patinka, kad ją vos reikia priregistruoti, o tai reiškia, kad galime užtikrinti, kad gamyba vyktų sklandžiai be papildomų rūpesčių.
⭐⭐⭐⭐⭐ Michael Brown, operacijų vadovas, Teksaso plieno gamyklos, JAV
Mūsų Teksaso dirbtuvės iš Raydafon užsisakė SWC-WD trumpą be lankstaus flanšo tipo universalią movą ir, tiesą sakant, kokybė mus pribloškė. Movos apdirbtos tikrai gerai, jas sumontuoti paprasta, jos patikimai laikosi net esant apkrovai. Kas man labiausiai įstrigo? Kaip gerai suderinama kaina ir našumas – nedažnai atrandate tą mielą vietą. Rasti tiekėją, kuris nuolat tiektų tokio lygio kokybę, nėra lengva, tačiau Raydafon visiškai įrodė, kad yra patikimas mūsų partneris.
⭐⭐⭐⭐⭐ Anna Müller, techninės priežiūros vadovė, Berlin Industrial Solutions, Vokietija
Į Berlyno įrangos liniją įtraukėme Raydafon SWC-WD Short Without Flex Flanšo tipo universalią movą, o rezultatai buvo puikūs. Pats gaminys atrodo tvirtas, suvirinimas yra tikslus – čia nėra jokio menko darbo – ir iki šiol jis laikosi tikrai gerai, demonstruodamas aukščiausios klasės patvarumą. Palyginti su kai kuriais kitais prekių ženklais, kuriuos naudojome čia, Europoje, ši mova yra daug patikimesnė, o kaina taip pat konkurencingesnė. Jei kitos įmonės ieško patikimų universalių movų, aš tikrai rekomenduočiau Raydafon.
Raydafon SWC-WD trumpoji be lankstaus flanšo tipo universalioji mova (dažnai vadinama SWC kardaninio veleno universaliosios jungties mova) yra sukurta ankštoms pramonės vietoms, kur erdvė ribota ir jums reikia fiksuoto ilgio konstrukcijos (be teleskopinio prailginimo). Kaip didelio sukimo momento universaliosios jungties mova, ji efektyviai perkelia sukimo momentą tarp nesulygiuotų velenų, atlaiko iki 25 laipsnių kampinius nuokrypius ir išlieka patikima net ir sunkioje aplinkoje.
Pakalbėkime apie pagrindines jo savybes: jis turi kompaktišką ir standžią struktūrą – dėl šios trumpos, nelanksčios flanšo sąrankos jis yra patikima ir patvari universalioji jungtis, skirta valcavimo staklyno operacijoms, suteikianti papildomo stabilumo, kai ašinis judėjimas yra minimalus. Štai kodėl jis puikiai tinka fiksuoto atstumo jungtims sunkiose mašinose. Be to, yra jo didelė laikomoji galia: jo gamybai naudojame tvirtas medžiagas, tokias kaip ketus arba legiruotasis plienas, todėl tai yra patvari SWC universalaus veleno mova kėlimo ir medžiagų krovimo įrangoje. Jis atlaiko didelius svorius ir perduoda didesnį sukimo momentą nei kitos to paties skersmens movos, todėl puikiai tinka didelėms apkrovoms kasybos ar statybos įrenginiuose.
Ši pramoninė universaliųjų jungčių mova taip pat puikiai kompensuoja nesutapimą – nesvarbu, ar tai kampinis, lygiagretus, ar ašinis, jis netrukdo sukimosi greičiui ar sukimo momento perdavimui. Tai reiškia sklandų darbą sunkiosios technikos universaliųjų jungčių sukabinimo sistemose. Be to, jis yra efektyvus perduodant galią: iki 98,6 % efektyvumo pasiekianti ši SWC sunkiųjų universaliųjų jungčių mova sumažina energijos nuostolius, todėl tai yra efektyvi universalioji jungtis, skirta didelės galios pramonei.
Be to, jis sukurtas taip, kad taupytų energiją ir veiktų tyliai – jei jums reikia energiją taupančių universalių jungčių sujungimo sprendimų, tai yra geriausias pasirinkimas, sumažinantis eksploatavimo išlaidas. Ir išlaiko triukšmą tarp 30–40 dB(A), todėl ši mažai triukšminga universali jungtis tinka pramoninėse vietose, kur triukšmas kelia susirūpinimą.
Ši mova tikrai puikiai tinka konkrečiuose scenarijuose, pvz., kai jums reikia patikimos, tvirtos universalios jungties movos valcavimo staklyno operacijoms arba patvarios SWC kardaninio veleno movos kėlimo ir krovimo įrenginiuose. Tokiais atvejais, net esant ekstremalioms apkrovoms ir ribotai erdvei, jis veikia stabiliai, be žagsėjimo.
Kalbant apie pramoninių universalių jungčių sujungimo taikymą, mūsų SWC-WD variantas išsiskiria išmania inžinerija, dėl kurios jis veikia geriau ir tarnauja ilgiau. Pakalbėkime apie pagrindinę jo struktūrą: pagrįsta, saugi sąranka su integruota šakės galvutės konstrukcija – taip išvengiama problemų, pvz., atsilaisvinus ar sulūžus varžtams, o bendras stiprumas padidėja 30–50%. Tai reiškia, kad jis veikia saugiai ir patikimai, tarnauja ilgiau nei seno tipo modeliai ir išvengia įprastų gedimų didelės apkrovos vietose, pavyzdžiui, sunkiųjų mašinų universaliųjų jungčių sukabinimo sistemose.
Be to, jis gali atlaikyti daug didesnę apkrovą – sukūrėme jį taip, kad atlaikytų didesnius svorius, todėl ši SWC sunkiosios universalios jungties mova puikiai tinka tose vietose, kur reikia sudėtingo krovinio valdymo, pvz., kasybos ar statybos įrangos. Jis taip pat itin efektyviai perkelia galią ir pasiekia 98,6 % perdavimo efektyvumą. Kaip efektyvi universaliosios jungties mova, skirta dideliam galios perdavimui, sumažina energijos suvartojimą ir su ja susijusias išlaidas, todėl yra geriausias pasirinkimas energiją taupantiems universaliųjų jungčių sujungimo sprendimams didelės galios pramoninėse perdavimo sistemose.
Jis veikia sklandžiai ir beveik nekelia triukšmo – perdavimas išlieka pastovus, o triukšmas paprastai būna tarp 30–40 dB(A). Ši mažai triukšminga universalaus jungties mova veikia tyliai, o tai puikiai tinka pramoninėms vietoms, kur triukšmas kelia problemų, kartu išlaikant aukštą patikimumo lygį.
„Raydafon“ nėra tik dar vienas pavarų dėžės dalių pavadinimas – esame pirmaujantis aukštos kokybės transmisijos komponentų ir pramoninių mašinų sprendimų gamintojas ir tiekėjas, o didelį dėmesį skiriame tokiems gaminiams kaip SWC kardaninio veleno universalios jungties mova. Pradėjome neatsilikti nuo to, ko reikia pasaulinėms pramonės šakoms, kai jos vystosi, ir laikui bėgant sukūrėme visą asortimentą: pavarų dėžes, varomuosius velenus, hidraulinius cilindrus, skriemulius, tikslias stakles – visa tai sukurta siekiant pagerinti žemės ūkio ir sunkiųjų staklių veiklą. Esame dideli inovacijų srityje, todėl galime pristatyti patikimą ir patvarią universalią jungtį, skirtą valcavimo staklyno operacijoms, kurios be kliūčių tinka net sudėtingiausioms sistemoms.
Mūsų įrenginiai taip pat yra aukščiausios klasės – turime CNC dirbtuves, šlifavimo ir terminio apdorojimo įrangą bei pažangias 3D matavimo sistemas. Mes laikomės griežtų kokybės standartų, pvz., ISO9001/TS16949, ir tokia sąranka leidžia mums sukurti didelio sukimo momento universaliųjų jungčių sukabinimo sprendimus, kurie puikiai judina sukimo momentą ir tvarko nesutapimus kaip profesionalai. Paimkite, pavyzdžiui, mūsų patvarią SWC universalaus veleno movą kėlimo ir medžiagų krovimo įrangoje – ji sukurta vietoms, kurioms reikalinga stipri apkrova. O mūsų pramoninės universalios jungties sukabinimo linija? Jis taikomas visoms naudojimo rūšims, kur svarbiausia tikslumas ir tvirtumas.
Aštuoniasdešimt procentų mūsų pagamintos produkcijos eksportuojama – siunčiama į tokias vietas kaip JAV, Vokietija, Japonija, Italija, Malaizija, Australija ir Artimieji Rytai. Turime stiprius tinklus Kinijoje, Pietų Korėjoje, JK, Singapūre, JAV ir Ispanijoje, todėl esame tvirti visame pasaulyje. Šis pasiekiamumas leidžia mums pasiūlyti pritaikytas SWC sunkiųjų universaliųjų jungčių sujungimo parinktis, pritaikytas būtent tai, ko reikia klientams, pvz., sunkiosios technikos universaliųjų jungčių sukabinimo sistemose, kuriose negalima svarstyti, kaip išlaikyti stabilumą esant ekstremalioms apkrovoms.
Mums rūpi tvarumas ir sprendimų, kurie pirmiausia būtų teikiami klientams, kūrimas. Štai kodėl mes kuriame energiją taupančius universaliųjų jungčių sujungimo sprendimus, kurie pasiekia iki 98,6 % perdavimo efektyvumą ir sumažina energijos suvartojimą didelės galios sistemose. Nesvarbu, ar jums reikia veiksmingos universalios jungties movos dideliam galios perdavimui, ar mažai triukšmingos universalios jungties movos pramoninėms vietoms, kuriose triukšmas kelia problemų, mūsų gaminiams suteikiamas visas garantinis aptarnavimas. Taip tapome patikimu partneriu transmisijos pramonėje – ne tik parduodame dalis, bet ir palaikome jas.
Adresas
Luotuo pramoninis rajonas, Zhenhai rajonas, Ningbo miestas, Kinija
Tel
paštas


+86-574-87168065


Luotuo pramoninis rajonas, Zhenhai rajonas, Ningbo miestas, Kinija
Autorių teisės © Raydafon Technology Group Co., Limited Visos teisės saugomos.
Links | Sitemap | RSS | XML | Privatumo politika |
