QR kodas
Produktai
Susisiekite su mumis

Telefonas

Faksas
+86-574-87168065

paštas

Adresas
Luotuo pramoninis rajonas, Zhenhai rajonas, Ningbo miestas, Kinija
Raydafon SWC-WF be lankstaus flanšo tipo universalioji mova yra skirta tik didelio sukimo momento perdavimui sunkiosiose mašinose – pagalvokite apie metalurgijos įrangą, kranus, kasybos sistemas ir visas sudėtingas sąrankas, kurioms reikalinga pastovi galia. Jis turi nelanksčią flanšo konstrukciją, sukimosi skersmuo svyruoja nuo 160 mm iki 640 mm, o ši flanšo tipo universali mova susidoroja su dideliais kampiniais poslinkiais ir nenutrūkstamu sukimosi greičiu, net dirbant itin sudėtingomis sąlygomis. Jo gamybai naudojame didelio stiprumo 35CrMo plieną, todėl jis puikiai atlaiko dideles apkrovas – būtent todėl jis yra geriausias pasirinkimas universalioms sunkiosios technikos movoms ir nelanksčioms universalioms movoms pramoninėms reikmėms. Tiksli „Raydafon“ gamyba užtikrina, kad jis kiekvieną kartą užtikrintų patikimą našumą, ypač pramonės šakose, kurios negali daryti kompromisų dėl pastovaus sukimo momento tiekimo.
Ši SWC-WF universali mova sukurta taip, kad tarnautų, su standžia flanšine jungtimi, kuri palengvina montavimą tokiose sistemose kaip laivų statybos pavaros ir valcavimo staklynai – vietose, kur ašinis judėjimas nėra didelis. Griežtai laikomės ISO 9001 standartų, o mūsų Kinijoje įsikūrusi gamykla naudoja pažangų apdirbimą ir griežtus kokybės patikrinimus, kad būtų sukurta ši patvari flanšinė universali mova. Jis yra pritaikomų dydžių, kurių sukimo momentas yra iki 1250 kN·m, todėl jis puikiai tinka universalioms metalurgijos įrangos ir kitų sunkių įrenginių jungtims. Raydafon taip pat siūlo pritaikytus sprendimus konkurencingomis kainomis, padedančius sumažinti prastovų laiką ir padidinti įrangos patikimumą.
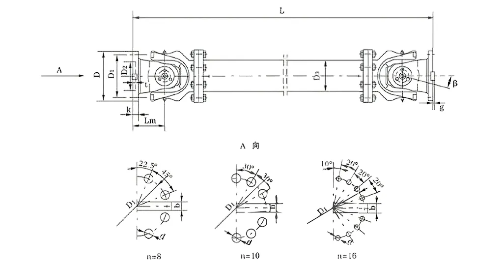
| Nr. | Sukimo skersmuo D mm | Nominalus sukimo momentas Tn KN·m | Ašių lankstymo kampas β (°) | Pavargęs sukimo momentas Tf KN·m | Dydis (mm) | Besisukanti inercija kg.m2 | Svoris (kg) | |||||||||||
| Lmin | D1 (js11) | D2 (H7) | D3 | Lm | n-d | k | t | b (h9) | g | Lmin | Padidinti 100 mm | Lmin | Padidinti 100 mm | |||||
| SWC285WF | 285 | 90 | 45 | ≤15 | 810 | 245 | 170 | 194 | 160 | 8-21 | 27 | 7 | 40 | 15 | 2.664 | 0.051 | 220 | 6.3 |
| SWC315WF | 315 | 125 | 63 | 915 | 280 | 185 | 219 | 180 | 10-23 | 32 | 8 | 40 | 15 | 4.469 | 0.0795 | 300 | 8.0 | |
| SWC350WF | 350 | 180 | 90 | 980 | 310 | 210 | 267 | 194 | 10-23 | 35 | 8 | 50 | 16 | 7.388 | 0.2219 | 412 | 15.0 | |
| SWC390WF | 390 | 250 | 125 | 1100 | 345 | 235 | 267 | 215 | 10-25 | 40 | 8 | 70 | 18 | 13.184 | 0.2219 | 588 | 15.0 | |
| SWC440WF | 440 | 355 | 180 | 1290 | 390 | 255 | 325 | 260 | 16-28 | 42 | 10 | 80 | 20 | 23.250 | 0.4744 | 880 | 21.7 | |
| SWC490WF | 490 | 500 | 250 | 1360 | 435 | 275 | 325 | 270 | 16-31 | 47 | 12 | 90 | 22.5 | 40.750 | 0.4744 | 1173 | 21.7 | |
| SWC550WF | 550 | 710 | 355 | 1510 | 492 | 320 | 426 | 305 | 16-31 | 50 | 12 | 100 | 22.5 | 68.480 | 1.3570 | 1663 | 34.0 | |
| SWC620WF | 620 | 1000 | 500 | 1690 | 555 | 380 | 426 | 340 | 10-38 | 55 | 12 | 100 | 25 | 127.530 | 1.3570 | 2332 | 34.0 | |
* 1. Tf – esant kintamajai apkrovai sukimo momentas, kurį leidžia pagal nuovargio stiprumą.
* 2. L formos montavimo ilgis, kuris yra pagal reikalavimą.
Raydafon SWC-WF be lanksčios flanšinės universalios jungties movos, taip pat vadinamos SWC kardaninio veleno universaliosios jungties mova, veikia pagal pagrindinę mechaninę idėją: sukimo momentą iš dviejų netiesioginių velenų perduoda ten, kur reikia, ir taip pat susidoroja su nesuderinamumu. Šioje didelio sukimo momento universaliosios jungties movoje naudojama kryžminė guolio sąranka, skirta sujungti abiejų galų flanšus, todėl net tada, kai velenai yra pasislinkę iki 25 laipsnių arba turi ašinių / radialinių nuokrypių, ji vis tiek sklandžiai judina sukimosi galią.
Jos veikimo pagrindas yra universalios jungties konstrukcija – yra skersinis velenas, kuris veikia kaip ašis, leidžiantis kiekvienam flanšui judėti savarankiškai. Tokiu būdu sukimo momentas efektyviai pereina iš varančiojo veleno į varomąjį veleną ir kompensuoja kampinius nesutapimus, nesukeldamas per didelio įtempimo prie prijungtų dalių. Jei valcavimo staklyno operacijoms reikia patikimos, tvirtos universalios jungties movos, ši standi, nelanksti flanšo konstrukcija išlaiko daiktus stabilius, o tai puikiai tinka trumpo atstumo jungtims kompaktiškose sunkiosiose mašinose.
Jo funkcija išsiskiria tuo, kad jame nėra lanksčių dalių ar išplėtimo funkcijų – tai išskiria jį iš kitų tipų ir puikiai tinka tose vietose, kur ašinis judėjimas yra minimalus. Patvari SWC universalaus veleno mova, kurią naudojame kėlimo ir medžiagų krovimo įrenginiuose, remiasi šiuo principu, kad išlaikytų pusiausvyrą net esant didelėms apkrovoms; Jis pasiekia 98,6% perdavimo efektyvumą ir neeikvoja daug energijos. Ši pramoninė universaliųjų jungčių mova taip pat sumažina vibraciją dėl tikslaus guolio judėjimo, todėl ji veikia sklandžiai net esant dideliam įtempimui – kaip ir sunkiosios technikos universaliųjų jungčių sukabinimo sistemos, kurias pamatysite atliekant sunkius pramonės darbus.
Be to, Raydafon SWC sunkiosios universalios jungties mova turi suvirintus flanšus, kad būtų tvirtesnė – nebereikia jaudintis dėl atsipalaidavusių varžtų, o bendras stiprumas padidėja 30–50%. Kaip efektyvi universaliosios jungties mova, skirta dideliam galios perdavimui, ji atlaiko vardinius sukimo momentus nuo 0,15 iki 1000 kN·m, o sukimosi skersmuo yra nuo φ58 iki φ620, todėl tai yra geriausias pasirinkimas energiją taupantiems universaliųjų jungčių sujungimo sprendimams sudėtingose pramoninėse transmisijose. Kadangi triukšmas yra tarp 30–40 dB(A), ši mažai triukšminga universaliosios jungties mova veikia tyliai, o tai idealiai tinka pramoninėms vietoms, kuriose triukšmas kelia susirūpinimą, kartu išlaikant aukštus patikimumo standartus.
Raydafon SWC universaliosios jungties mova – dažnai vadinama SWC kardaninio veleno universaliosios jungties mova – nėra tik įprasta dalis; tai būtina didelės apkrovos pramoninėms sistemoms, pvz., valcavimo staklėms, kėlimo mašinoms ir visų rūšių sunkioms sunkiųjų mašinų sistemoms. Kaip didelio sukimo momento universaliosios jungties mova, ji atlieka tvirtą darbą sujungdama du netinkamai išsidėsčiusius transmisijos velenus, todėl galia ir toliau tekės net esant sunkioms darbo sąlygoms.
Pakalbėkime apie pagrindines jo specifikacijas: sukimo skersmuo svyruoja nuo φ58 iki φ620, vardinis sukimo momentas svyruoja nuo 0,15 iki 1000 kN·m, o ašies sulenkimo kampas yra ne didesnis kaip 25°.
Šis gaminys tikrai puikiai tinka konkrečiuose scenarijuose, pvz., kai jums reikia patikimos sunkiosios universalios jungties movos valcavimo staklyno operacijoms arba patvarios SWC kardaninio veleno movos kėlimo ir medžiagų krovimo įrangoje. Tokiais atvejais jis pasiteisina išlaikant stabilias operacijas, net kai susiduriama su dideliais kroviniais.
Raydafon SWC universaliųjų jungčių mova sukurta ne tik funkcijoms atlikti – ji sukurta taip, kad ji atlaikytų pramoninį naudojimą ir gerai veiktų ilgą laiką. Išskaidykime, kuo išsiskiria jo struktūra.
Pirma, jo konfigūracija yra pagrįsta ir saugi: šiai pramoninei universalaus jungties movai panaudojome integruotą šakės galvutės konstrukciją, kuri sumažina riziką, pvz., atsilaisvins ar sulūžs varžtai. Vien tai padidina struktūrinį vientisumą 30–50%, todėl jis veikia saugiai ir patikimai. Palyginti su įprastomis movomis, jis tarnauja ilgiau ir išvengia įprastų gedimų didelio įtempimo vietose, pavyzdžiui, sunkiųjų mašinų universalių jungčių movų sistemos, kurias matote atliekant sunkius darbus.
Taip pat yra padidinta laikomoji galia: ši SWC sunkiosios universalios jungties mova yra skirta atlaikyti didelius svorius, todėl ją būtina turėti vietose, kur reikia aukščiausio lygio apkrovos valdymo, pvz., kasybos ar statybų mašinos.
Jis taip pat užtikrina aukštą perdavimo efektyvumą – iki 98,6%. Kaip efektyvi universalioji jungtis, skirta dideliam energijos perdavimui, sumažina energijos suvartojimą ir su tuo susijusias išlaidas. Štai kodėl tai yra geriausias pasirinkimas energiją taupantiems universaliųjų jungčių sujungimo sprendimams didelės galios pramoninėse transmisijose.
Be to, jis veikia sklandžiai su mažu triukšmu: palaiko stabilų perdavimą, o triukšmas paprastai išlieka tarp 30–40 dB(A). Ši mažai triukšminga universaliųjų jungčių mova užtikrina, kad darbas vyks tyliai, o tai puikiai tinka vietose, kur triukšmas kelia problemų – išlaikant aukštą patikimumo lygį.
⭐⭐⭐⭐⭐ Chen Liang, gamybos inžinierius, Zhejiang Machinery Co., Ltd.
Mes įdėjome į vieną iš savo gamybos linijų Raydafon SWC-WF be lanksčios flanšo tipo universalios movos ir ji iki šiol puikiai veikia. Konstrukcija paprasta, bet sunki – ją sumontuoti buvo lengva, jokių sudėtingų žingsnių. Kai jis yra nustatytas, jis veikia sklandžiai, nereikia jokių papildomų pakeitimų. Net ir tada, kai apkrova yra didelė, ši mova išlieka patikima, o tai reiškia, kad galime išlaikyti mašinas ilgas valandas per daug nesijaudindami – tai neabejotinai suteikia mums daugiau ramybės.
⭐⭐⭐⭐⭐ Sun Mei, pirkimo vadovas, Hebei Steel Co., Ltd.
Mūsų įmonė iš Raydafon nupirko keletą SWC-WF be lanksčių flanšų universalių movų ir, pirma, pristatymas buvo laiku, o pakuotė taip pat buvo rūpestinga – jokios žalos. Mane labiausiai išskiria tai, ką pasakė dirbtuvių komanda: jie man pasakė, kad movas lengva sumontuoti, o naudojant jos jaučiasi tikrai tvirtos. Be to, palyginti su kitais tiekėjais, kaina čia yra teisinga. Apskritai, esame labai patenkinti šiuo pirkiniu.
⭐⭐⭐⭐⭐ Guo Jun, Liaoning Heavy Industry Group techninės priežiūros vadovas
Mano darbas yra užtikrinti, kad mūsų mašinos veiktų, ir stengiuosi kiek įmanoma sumažinti prastovų laiką. Nuo tada, kai pradėjome naudoti Raydafon SWC-WF be lanksčios flanšo tipo universalios movos, pastebėjau didelį skirtumą – mažiau dėvisi dalis ir daug mažiau problemų eksploatacijos metu. Dizainas yra tvirtas ir nereikalauja daug priežiūros. Taip sutaupome ir laiko, ir pinigų, ir pasirodė, kad tai itin patikima mūsų įrangos dalis.
„Raydafon“ yra pagrindinė „EVER-POWER Group Co., Ltd.“ dukterinė įmonė – esame ne tik tiekėjai, bet ir aukščiausios kokybės transmisijos komponentų bei pramoninių sprendimų tiekėjai, todėl daug dėmesio skiriame novatoriškiems gaminiams, tokiems kaip SWC kardaninio veleno universalios jungties mova. Nuo tada, kai pradėjome, mes visi siekėme tobulinti technologijas ir augti pasaulinėse rinkose; neapsiribojome vien pavienių komponentų pardavimu – dabar kuriame visos sistemos sprendimus, kurie puikiai atitinka žemės ūkio ir sunkiosios pramonės poreikius. Mūsų žinios apie pavaros velenus ir transmisijos gaminius reiškia, kad klientai, kuriems reikia patikimos ir tvirtos universalios jungties sujungimo valcavimo staklyno operacijoms (ir kitiems sunkiems darbams), gali pasitikėti mumis kaip patikimu partneriu.
Raydafon gaminame platų gaminių asortimentą: pavarų dėžes, pavaros velenus, hidraulinius cilindrus, skriemulius ir net pažangias stakles, tokias kaip CNC tekinimo ir frezavimo staklės. Mūsų didelio sukimo momento universalios jungties movos sprendimai – pavyzdžiui, SWC serija – sukurti taip, kad atitiktų griežtus pramonės šakų, kurioms reikia patvarios SWC universaliųjų jungčių movos kėlimo ir medžiagų krovimo įrenginiuose, reikalavimus. Taip pat turime pažangių įrenginių: CNC dirbtuves, šlifavimo ir terminio apdorojimo stakles, 3D matavimo įrankius – visa tai atitinka ISO9001/TS16949 standartus, todėl kiekviena mūsų gaminama pramoninė universalioji mova yra aukščiausios kokybės ir tiksli.
80% savo gaminių parduodame užsienyje, tokiose rinkose kaip JAV, Vokietija, Japonija, Italija, Malaizija, Australija ir Viduriniai Rytai. Turime tvirtą tinklą tokiose vietose kaip Kinija, Pietų Korėja, JK, Singapūras, JAV ir Ispanija, kad tai paremtų. Šis pasaulinis pasiekiamumas leidžia mums sukurti pritaikytus sprendimus, pvz., SWC sunkiųjų universaliųjų jungčių movą, skirtą sunkiųjų mašinų universaliųjų jungčių sistemoms, kurios turi atlaikyti didelius krovinius ir tarnauti ilgai.
Inovacijos ir klientų patenkinimas yra mūsų prioritetas. Siūlome energiją taupančius universaliųjų jungčių sujungimo sprendimus, kurie pasiekia iki 98,6 % perdavimo efektyvumą ir sumažina eksploatacines išlaidas didelės galios sąrankoms. Nesvarbu, ar jums reikia veiksmingos universalios jungties movos dideliam galios perdavimui, ar mažai triukšmingos universalios jungties movos tose vietose, kur triukšmas yra svarbus, mūsų gaminiams suteikiamas profesionalus aptarnavimas po pardavimo – ir mes stengiamės viską daryti teisingai. Štai kodėl Raydafon yra geriausias pasirinkimas visiems jūsų perdavimo poreikiams.
Adresas
Luotuo pramoninis rajonas, Zhenhai rajonas, Ningbo miestas, Kinija
Tel
paštas


+86-574-87168065


Luotuo pramoninis rajonas, Zhenhai rajonas, Ningbo miestas, Kinija
Autorių teisės © Raydafon Technology Group Co., Limited Visos teisės saugomos.
Links | Sitemap | RSS | XML | Privatumo politika |
